汽油车发动机怠速抖动故障维修技术探讨
罗奕君
三明市高级技工学校 福建三明 365000
一、汽油车发动机怠速抖动情况产生的原理
汽车发动机怠速抖动情况产生的原理是每一个气缸内可燃混合气燃烧时做功不一样,从而使发动机产生抖动情况。发动机进行运转的过程中,外部条件发生变化和气缸内的气体变化,都有可能对发动机内部的运行功率产生一定影响。
二、汽油车发动机怠速抖动的原由
1. 进气系统故障
(1)空气滤清器有脏物。空气滤清器主要是为了防止灰尘等脏物进入发动机,使发动机产生磨损等问题,汽车保养时要特别注意,如果发现空气滤清器非常脏,就要及时更换,一旦没有及时更换,发动机容易进入空气不够,造成发动机抖动情况。
(2)进气通道内的相关控制元件脏物太多。进气通道长时间使用容易产生积碳,积碳过多会使得通道的截面积变窄,使进入气缸的进气量减少,产生的混合气体过浓,导致气缸内气体燃烧不正常现象,气缸运行功率不一样,造成发动机怠速抖动情况。
2. 进气量失准
进气量不正常大多情况下是由发动机电控单元、传感器、执行器和控制系统电路等造成的。如果氧传感器被损坏,发动机排出尾气的含氧量就不能被检测出来,发动机的喷油器的喷油也会出现错误,导致混合气比例改变,气缸内气体燃烧不正常,气缸运行功率不一样,造成发动机怠速抖动情况。
3. 点火系统故障
(1)点火模块与点火线圈
随着技术的更新,现在较多车型的点火模块与点火线圈都被制作为一个整体模块,不再以个体模块存在,节约了更大的空间。但是点火控制系统还是出现了不少问题。如火花塞不点火故障。常见的故障原因有:由 ECU 发出的点火触发信号,不能准确传递至点火模块,或者点火模块电源线路或搭铁线路损坏,都会造成不点火故障。
(2)火花塞与高压线圈故障
这种故障问题往往会导致火花塞产生的电火花无法点燃可燃混合气,造成点火系统点燃可燃混合气比较困难。常见火花塞故障有:火花塞间隙太小、火花塞上的绝缘体出现裂痕、火花塞电极损坏。火花塞也是有寿命的,一般行驶到 3 万至 4 万公里后,火花塞的点火效率降低,对发动机点火产生一定的影响。高压线路如果出现断路故障,也会影响发动机点火,造成发动机怠速抖动情况。
(3)点火提前角失准
汽车发动机油耗、功率、行驶特性和爆震等都与点火提前角的大小都存在一定的联系,发动机电脑收到节气门位置传感器怠速信号时就进入怠速点火提前角控制模式,同时,发动机电脑收到发动机转速和冷却液温度传感器等传感器信号后改变点火提前角。
4. 燃油系统故障
(1)喷油器故障
通常情况,喷油器故障是由于喷油量出现错误或喷油的雾化效果不理想,不能满足要求。比较常见的故障是喷油器堵塞,一旦喷油器堵塞容易造成各个喷油器的喷油量不一致,导致各个气缸对外做功不能达到平衡,气缸运行功率不一样,造成汽车发动机怠速抖动。
(2)燃油压力故障
多数情况下燃油的压力过低会造成喷油器喷出的燃油雾化效果不理想或喷出的燃油出现线状情况。喷油器如果喷出的燃油是油滴状态,说明燃油的压力太低,燃油喷射量变少,可燃混合气变稀;相反,如果油压过高,会使可燃混合气过浓,这样都会使发动机气缸内的可燃混合气不能正常燃烧,造成发动机怠速抖动。
常见的原因有 : 燃油泵继电器元件出现损坏,燃油泵滤网出现堵塞现象,燃油滤清器出现堵塞现象,燃油泵自身损坏,燃油压力调节器出现不能正常调节和燃油供油管产生变形和裂纹等。
(3)喷油量失准
燃油系统里的传感器失效出现故障,这样发动机电控单元无法控制喷油器正常喷油,将使得燃油器喷油量出现错误。空气和燃油的比例就有问题,可能会太浓或者太稀,会使得汽车发动机产生怠速抖动。
三、汽油车发动机怠速抖动故障维修基本步骤
1. 问客户该车汽车发动机怠速抖动出现的具体时间,驾驶道路状况和驾驶习惯和保养情况等。
2. 仔细听发动机的怠速抖动声音,研究是在有负荷时的抖动还是正常怠速抖动,认真观察该车发动机有没有漏气、漏水、漏电、插接器有没有松动、真空管有没有损坏、排气管是否有异常声音和冒黑烟等现象。
3. 用汽车诊断仪检测故障码和数据流分析,出现故障代码要认真根据该车维修手册进行分析产生故障码的原因和排除方法。读故障码并根据有关的数据流来分析:比如发动机的进入空气量、转速、冷却液的温度、进气温度、节气门的开度、传感器信号控制电压和缺火数据等一些参数。
4. 根据以上分析进行故障检测,故障检测要按照从简单到复杂的顺序进行,从进气、点火等燃油系统进行分析和检测,要查询该车的手册资料,按照该车维修手册资料的数据和步骤要求进行检测和排除。
四、汽油车发动机怠速抖动故障维修案例解析
1. 故障情况:2016 款别克威朗自动挡汽车,总计行驶里程约 6.85 万公里,该车客户感觉发动机有怠速抖动情况,加速情况不好。维修人员对这辆车进行检查,发现发动机故障指示灯是点亮状态,试车时发现有顿挫感,发动机在怠速时抖动较大,在加速时转速不能很好上升。
2. 故障原由分析:汽车出现怠速抖动时, 要及时查看发动机气缸内进气系统是否存在漏气,并对点火控制系统中的控制电路、点火线圈和火花塞进行相应的检查和测试。可以使用故障诊断仪来检测该车的故障码 , 通过故障码再结合相关维修手册进行进一步对发动机的怠速抖动故障进行分析。要认真分析该车发动机气缸出现点火异常的问题原因 , 了解该车发动机在行驶过程中其它参数是否都是正常, 如混合气形成和燃油喷射有无正常。
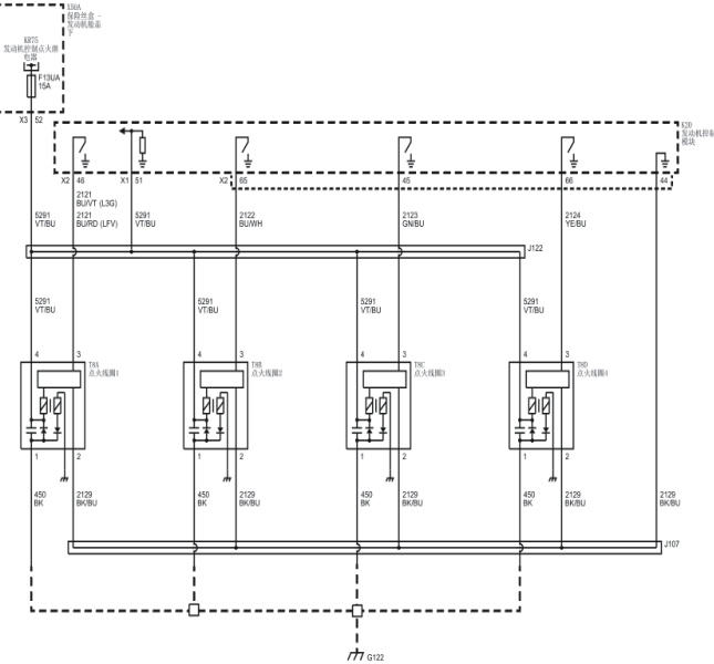
3. 故障维修:①用汽车诊断仪测试显示P0300 故障码,说明发动机有缺火故障,用故障诊断仪数据流分析确认故障诊断仪上的“气缸 1-4 当前缺火计数器”参数是否有增加,结果是气缸 2 缺火参数增加是不正常现象。②关闭火开关,车辆系统处于没电状态,拔开 T8B 点火线圈线束连接器。查阅该车的维修手册,根据图 1 发动机点火控制电路图 , 测试 2 缸 T8B点火线圈搭铁电路端子 1 和搭铁之间的电阻小于 5Ω 是正常。T8B/2 电路与搭铁之间的电阻检测结果小于 5Ω 是正常。 ③ 打开点火开关,T8B/4 电路与搭铁之间的电压检测是正常。 ④ 关闭点火开关,把 2 缸 T8B 点火线圈和 3 缸 T8C 点火线圈对调,然后起动发动机,故障诊断仪数据流分析发现“气缸1-4 当前缺火计数器”2 缸缺火参数未增加,但是3 缸缺火参数增加。⑤经诊断是该车发动机的 T8B 点火线圈出现问题,更换点火线圈后试车,汽车怠速正常,加速也正常,故障排除。
图1 发动机点火控制电路

五、汽油车发动机怠速抖动故障维修注意事项
本文以行驶里程为 6.85 万公里的 2016 款别克威朗车为例。通过故障诊断仪诊断发现该车的故障代码为 P0300,查阅该车维修手册,该车发动机有气缸缺火的故障。用诊断仪数据流分析发现有一个气缸出现缺火参数增加,就要重点对该缸的点火控制电路、点火线圈和火花塞进行综合分析和检测。
需要注意的是 , 汽车发动机怠速抖动的检测比较困难 , 包含的内容也比较复杂。汽车维修工作人员在进行维修工作时 , 一定要注重操作经验的总结工作 , 严格按照实际故障发生和实际问题的产生之间的故障原因去进行全面排查。如果汽车在行驶过程中出现较为明显的发动机怠速抖动 , 需要注意第一时间去分析其故障产生一切有可能的原因。汽车维修工作人员一定要永远坚持一个由简单故障过渡到复杂故障的技术原则 , 找出对汽车发动机电控系统维修的最好方法。汽车专业维修工作人员则可以通过利用这种检查方法 , 从各种标准数据系统中快速明确哪个气缸工作不正常 , 然后通过科学细致地分析检查排除发动机怠速时抖动的故障, 并同时采取最有效最快速的诊断方法来快速处理和排除故障。
结束语
综合各方因素 , 一旦汽车在使用过程中出现发动机怠速抖动 , 这将对汽车的使用性能产生一定影响,所以及时对汽油车发动机产生怠速抖动进行检查和维修是非常有必要的。其中,汽车维修工作人员在维修过程中比较难处理的任务之一就是排除汽车发动机怠速抖动故障。进气系统、电控点火系统、燃油系统等都有可能引起汽车发动机产生怠速抖动 , 故障检查与维修较繁杂。
参考文献
[1] 刘小娟,夏运东. 汽车发动机怠速抖动故障诊断与排除[J]. 通讯世界,2018(01).
[2] 李俊玲,周旭. 汽车电气设备的构造与检修[M]. 北京:人民邮电出版社,2010.
[3] 胡光辉. 汽车故障诊断技术(第2 版)[M]. 北京:电子工业出版社,2008.