具有不平衡补偿能力的有源电力滤波器研究
黄宝案 何应勇 黄静
1 百色学院 广西百色 531400
绪论
三相负载不平衡是电力系统中常见且危害显著的问题。当三相负载分布不均时,会导致线路及配电变压器损耗增加,降低电网运行效率[]。同时,不平衡负载还会造成配电变压器实际出力下降,设备利用率降低,影响供电的经济性与可靠性。在三相不平衡系统中,通常存在较高的负序分量。若谐波含量进一步增大,可能引发继电保护及自动装置的误动作,例如触发发电机、变压器和电动机的负序保护或过电流保护[2-3]。为避免保护误动,往往需要重新整定保护定值,但这会降低保护装置的灵敏度,削弱系统可靠性,对电力系统稳定运行构成潜在威胁。
电力电子变流器凭借高开关频率和快速动态响应能力,在电力系统中得到了广泛应用。然而,当系统出现三相电压不平衡时,会导致变流器触发角不对称,进而产生大量非特征次谐波 [4]。这些谐波不仅会恶化滤波装置的滤波效果,还会向电网注入谐波污染,干扰电力系统的正常运行,进一步加剧电能质量问题 [5]。本研究旨在设计并实现一种具备强大不平衡补偿能力的有源电力滤波器。
1具有低谐波阻抗的有源滤波器
1.1 系统模型
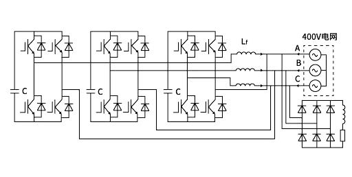
为解决日益严重的电网谐波与三相不平衡问题,大功率有源电力滤波器成为研究重点。针对大功率应用需求,分析多种主电路拓扑,论证了 H 桥级联结构作为电压型变换器显著优势,最终选定其为最优架构(图 示),以满足高性能APF 装置的设计要求。

.2 逆变器控制策略
由于逆变器需输出稳定电压,且具备补偿不平衡电流的能力,因此采用电流电压双闭环控制策略。在该策略下,电流内环控制电容电流作为反馈信号,为提高系统的响应速度和具有更大增益,电流内环采取比例(P)控制器。电流内环控制器如图:

图2 电流内环图
图 2Kpwm 为 逆 变 器 等 效 增 益, 电 流 内 环 的 传 递 函 数 为,Gi=PKpwm/Lfs。电压外环控制器的选取:分为PI 控制器、比例谐振(RP)控制器。其中,PI 控制器的传递函数为,

2 基于APF 三相不平衡补偿方法研究
2. 补偿原理



在三相平衡状态下,电压波形为标准正弦波,三相相位差严格保持 20∘ ,符合三相交流系统的理想特性。三相电压幅值稳定在 30V左右,表明电源侧与负载侧均处于对称、稳定的运行状态。电源侧电流波形存在一定波动,虽大致沿零轴上下变化,但仍略显复杂,可能由系统中存在的动态因素引起。负载侧电流则呈现明显的方波形态,推测与负载特性或控制策略所导致的离散化电流变化方式有关。
当系统处于不平衡状态时,电压与电流的对称性遭到破坏,表现为某一相相位偏离 20∘ °,波形出现明显畸变。电源侧与负载侧的电压和电流均发生失真,反映出系统运行的不稳定性。此外,励磁电压和电流波形也呈现不对称性和更大幅度的波动。
为应对不平衡工况,本研究采用 P 控制,并结合基于内模原理的RC 控制与 RP 控制的复合电流控制策略。将不平衡状态下的波形与平衡状态进行对比,可评估该控制策略对系统不对称运行的调节能力。仿真结果表明,在该控制策略下,波形畸变程度较小,说明其能有效抑制不平衡带来的影响,提升系统的稳定性。

4 总结
在无功与谐波补偿器拓扑结构的研究中,对负载电流进行了全面的谐波与无功分量检测,并在负载不平衡条件下,实现了对负序与正序电流的精确提取。
提出了比例控制、谐振控制与重复控制相结合的复合控制方案。实验结果表明,该补偿装置取得了良好的补偿效果。特别是在不平衡无功负载工况下,补偿后的电网电流与电压恢复平衡,电网功率因数提升至 ,充分证明了所采用的三角形连接的 H 桥结构在不平衡补偿方面具有较强的性能。实验验证了所提出复合控制策略的有效性与合理性,控制效果显著。同时,该方案在数字实现结构简单,为工程应用提供了切实可行的技术路径。
参考文献
[] 余啸峰 . 并联型三相三线制有源电力滤波器的研究 [D]. 天津理工大学 ,2025- 09- 5.
[2] 朱海滨 , 王平 , 高范强 , 等 . 低压大功率有源电力滤波器的控制策略研究 [J]. 电力电子技术 , 203(6):3
[3] 李建标 , 罗永驹 , 陈勇 , 等 . 低压直流供电系统混合有源滤波技术研究 [J]. 电源学报 , 2025(3).
[4] 田浩 , 陈坤燚 , 柯贤旺 , 等 . 具有低谐波阻抗的三相四桥臂有源电力滤波器 [J]. 机电工程技术 , 2023, 52(8).
[5] 张道峰. 基于重复控制的三相三线制有源电力滤波器的研究[D].天津理工大学 ,2025- 09- 5.
[6] 黄佩贤 . 具有不平衡补偿能力的有源电力滤波器研究 [D]. 湖北民族大学 ,2024.
[7]Kumar K K , Kumar D V .Power Enhancement by Adopting Active Power Filter Scheme with C ontrol Strategies under Grid Distortions[J]. International Journal of Electronic and Communication R esearch, 2024:5.
[8]Z hang C , D ou X , Z hao J ,et al.T wo- level C oupling- based Frequency C ontrol Strategy with Adaptive Distributed Frequency C onsensus and Dynamic Compensation[J]. 现代电力系统与清洁能源学报(英文版), 2024(6).