PSVR 励磁装置故障案例及处理方法
顾逸阳
江苏华电戚墅堰发电有限公司 江苏常州 213011
一、PSVR 励磁装置简介及技术性能
PSVR 系列励磁系统是南自公司推出的数字式静态励磁系统,主要用于各类汽轮机、燃气轮机、水轮机的励磁调节,某厂 2 台 475MW 燃气轮机组、4 套220MW 燃气轮机就采用PSVR 励磁装置。采用自并励方式,运行中整流柜全部运行,采用 N+1 冗余方式,有一个功率柜退出不影响正常运行。
475MW 机组满载励磁电流 3565A,励磁电压 448V,采用 4 面功率柜并列运行,可控硅为 ABB 5STP28L4200,散热器北京晓飞双祥 XF-88C,灭磁开关为塞雪龙 HPB45M 系列。
220MW 机组燃机满载励磁电流1617.1A,励磁电压249.2V,汽机满载励磁电流1482A,励磁电压 151.52V 。均为2 面功率柜并列运行。可控柜为ABB 5STP24H2800,散热器北京晓飞双祥 XF-88E ,灭磁开关为塞雪龙UR26 系列。
故障及处理情况
2.1 同步变压器故障
某日机组运行中#7 发电机励磁调节装置A 套“ 故障” 、“ 脉冲故障”灯亮,励磁调节装置B 运行正常。现场检查发现A 调节装置TBB1 同步变压器发黑发烫有焦味,A 套同步变压器故障。
根据现场烧损同步变压器外貌接线桩头无明显发热,发热点主要在变压器绕组内部。厂家回复该批次励磁控制器同步变(南京瑞网)质量问题造成内部绝缘老化损坏,副变电压输出失真,造成 A 套励磁控制器同步电压失去,A 套报故障并自动切换至B 套运行。

后续将该批次同步变都改为军工企业产品,改造后未再出现同类问题。2.2 可控硅及熔丝熔断
2.2.1 机组调试阶段#3 机励磁装置#2 功率柜故障,检查损坏 3 个可控硅,厂家分析为可控硅脉冲触发线短路,更换后运行正常。
2 .2.2 机组调试阶段#4 机励磁变三相电流不平衡,检查为#4 功率柜脉冲触发板脉冲变压器一次侧与二次侧绝缘击穿,更换脉冲触发板,脉冲触发线已增加绝缘套管,后续运行正常。
2.2.3 3 号机 3 号功率柜 A12 熔丝熔断,4 号机 4 号功率柜 A 相熔丝可控柜熔断,均更换可控硅及熔丝,小电流试验正常,后续投运正常。
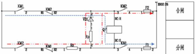
2.3 #3 机灭磁开关合闸熔丝熔断

原设计灭磁开关型号:HPB45M-82S,线圈额定电阻:7.8Ω ,额定合闸电流:14.1A、最大合闸电流:19.9A,额定分闸电流:2.28A、最大分闸电流: 3.17A 。

运行中多次出现 F2 合闸熔丝熔断情况,根据计算将原有 16A 熔丝更换为20A 熔丝,后续未再出现该情况。
三、总结
PSVR 装置作为自动化程度很高的装置,对电气人员特别是继电保护人员来讲,做好其检修维护、调试试验工作一直是技术难点。本文介绍了某厂 PSVR 励磁装置运行中出现的各类故障情况,阐述处理方法与流程,供专业技术人员借鉴与探讨。
作者简介:
顾逸阳,( 1982-),男,人,高级技师,高级工程师 长期从事燃机发电厂二次保护及自动设备检修维护工作,近年主要从事大型燃气机组电气设备检修、改造、管理工作;
