金华市区山区小流域山洪灾害预警指标研究
徐强
金华市水文管理中心,浙江 金华 321017
引言
市区位于浙江中部偏西,地处金衢盆地腹地。本区属亚热带季风气候,是浙江省暴雨中心之一,小流域属山区性河流,源短流急,洪峰流量大,涨落较快,滞洪时间短,加上历史和人为活动加剧等原因,造成局部区域森林覆盖率下降,水土流失面积增加,流域下垫面条件的改变,降低了涵蓄水源的能力,易引发山洪灾害。
山洪灾害不仅对区内的基础设施造成毁灭性破坏,而且对人民群众的生命安全构成极大的损害和威胁,已经成为当前防灾减灾中的突出问题,是区经济社会可持续发展的重要制约因素之一。建国以来,区内共发生山洪灾害约 20 次,累计死亡 20 人,直接经济损失 6500 万元。特别是 2009 年 8 月 14 日,受强对流天气影响,婺城区西南部山区安地镇、箬阳乡和沙畈乡等乡镇连续遭受强降雨袭击。这次暴雨使区西南部乡镇遭受不同程度的山体滑坡,冲毁通村公路及村间道路 14 处,最为严重的是沙畈乡周辽村的通村公路2000 多米全部冲毁,人员无法进出。倒塌房屋 20 多间,3.8 万人受灾。倒塌变压器 3 台,使 2 个乡镇 17 个行政村全部停电。防洪堤坝及水利设施冲毁 130 多处,约 3000 多米。农田受淹215 公顷。在婺城区确定山洪灾害预警指标是十分迫切需要的。
1 预警指标选取
根据区历史降雨及山洪灾害情况,结合地形、地貌、植被、土壤类型等,确定区山洪灾害的预警指标。预警指标按水文要素分为临界雨量和临界水位。由于临界雨量在时效性、稳定性、易操作性、可靠性上明显优于临界水位,因此本文选择临界雨量作为区山洪灾害预警指标。
临界雨量可细分为两个级别预警指标,即准备转移预警指标和立即转移预警指标,准备转移预警指标是指: ① 气象部门发布台风黄色预警; ② 实测降雨量达到准备转移预警指标临界值,降雨有可能持续; ③ 山塘水库或堤防发生险情时; ④ 区防汛防旱指挥部认为有必要准备转移时。立即转移预警指标: ① 气象部门发布台风红色预警); ② 实测降雨量达到立即转移预警指标临界值,降雨有可能持续; ③ 山塘水库或堤防发生重大险情时; ④ 局部区域已成灾,且灾情有进一步扩大趋势,或区防汛防旱指挥部认为有必要立即转移时。凡符合上述条款 1 条或 1 条以上的,发布立即转移警报。
2 临界雨量确定及成果
2.1 确定依据
临界雨量的确定主要依据如下因素:
1、根据短历时暴雨特征参数选择适当指标;本方案选择了1 小时、3 小时两种时段特征雨量作为临界雨量指标。只要有一个时段降雨将超过其临界值,就认为有可能发生山洪灾害[1]。
2、临界雨量按灾害种类划分为山溪洪水灾害临界雨量、泥石流灾害临界雨量、滑坡灾害临界雨量,因婺城区内缺乏相关资料,临界雨量可合并进行分析计算( 假定三者临界雨量相同) [2]。
3、选区内 20 个小流域,确定各自小流域的临界雨量。由于临界雨量预警指标在不同流域、乡镇以及受前期影响雨量(即土壤含水量)等不同因素的影响,不同条件下的指标均存在差异性,因此本文确定的临界雨量为区间值。
4、结合暴雨图集、设计暴雨洪水和水文统计等模拟计算,历史洪水比对,综合确定预警指标。确定的预警指标,既要避免预警值过大生已经成灾但人员尚未转移的现象,又要避免预警值太小而产生频繁组织人员转移。
2.2 确定方法
设每个小流域上游现有X座雨量站,建站以来共发生山洪灾害N次,共统计 T 个时间段的雨量, Rfij 为 t 时段第 i 个雨量站第 j 次山洪灾害的最大雨量,则各站每个时间段N 次统计值中,最小值与平均值之间的数值,初步确定为该小流域准备转移临界雨量;平均值与最大值之间的数值,初步确定为该小流域立即转移临界雨量。将初步确定的临界雨量与相似水文地质条件地区临界雨量计算成果及建站前洪水调查资料比对,同时考虑易操作性,综合确定最终各小流域的临界雨量。
2.3 计算成果
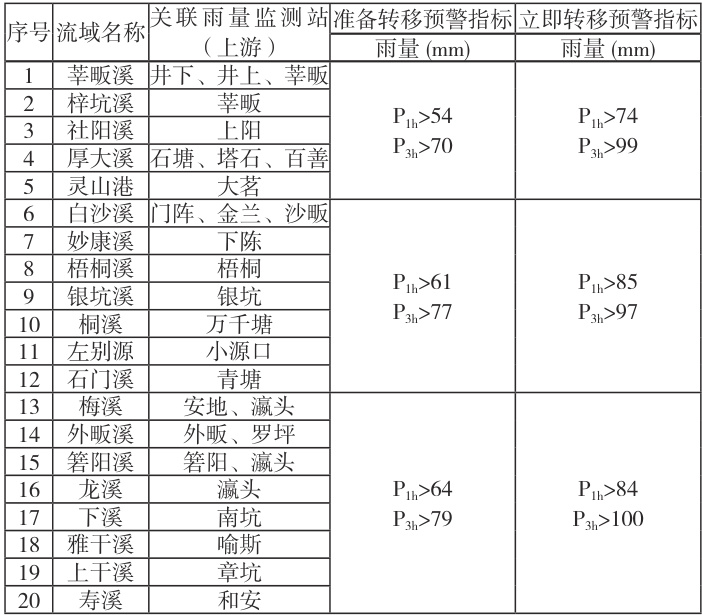
根据区实际情况,造成山洪灾害的次暴雨量大多数集中在1h~3h,本次以 1h、3h,2 个时段的临界雨量作为预警指标,经计算的各小流域预警指标均符合当地实际情况,详见表1:
表1 临界雨量预警指标汇总表

3 结语
临界雨量预警指标的确定,能防止和减轻区山洪灾害,做到有计划、有准备地防御,最大限度地减少人员伤亡和财产损失,避免群死群伤事件的发生。但如前所述,首先目前无法按灾害种类确定临界雨量。其次,由于临界雨量预警指标在不同流域、乡镇以及受前期影响雨量(即土壤含水量)等不同因素的影响,不同条件下的指标均存在差异性,临界雨量还无法精确至某一个具体数值。最后,临界雨量不是一个固定值,随着水文条件的改变而变,需经过长期的反复验证并加以修正。限于资料,目前没有考虑临界水位,以后将在临界水位研究上有所突破。
参考文献
[1] 陈桂亚 , 袁雅鸣·山洪灾害临界雨量分析计算方法研究 [J].人民长江 ,2005,36(12):40-43.
[2] 陈文辉 . 山洪灾害防治非工程措施中预警指标的确定—以甘肃省陇南市宕昌县为例 [J]. 广东水利水电,2011,(3):65-67.