某型设备安装架常见故障分析
郑紫阳
大连长丰实业总公司 飞机航电修理车间 辽宁大连 116000
1、引言
某型设备安装架的深度修理一直深受部队以及工厂的关注。由于该型设备安装架的构造及涉及的功能复杂从而导致该型设备安装架的修理难度大,修理周期长,也一定程度上制约了工厂修理能力的进一步提升。为了增加修理的深度、提高产品修理的质量,本文对某型设备安装架进行了功能的概述,结合自己的修理经验,在元器件性能方面,对该产品经常出现的故障进行分析。
2、某型设备安装架的功能概述
作为驾驶导航综合体的一部分 , 该型设备安装架可以实现设备安装架上各部件之间的信号连接以及设备安装架上所有部件和设备安装架外部之间的信息交换,这体现了它的控制功能也是极其重要的一部分,其通过接收外来的离散量信号,实现了各系统之间部分信号的通断控制。
该型设备安装架的内部元器件由电容板,继电器板,信号控制电路板等部分组成:其中电容板的主要功能是起滤波作用,继电器板上的继电器有着接收外来控制信号实现通断的作用,信号控制电路板实现了内部的控制作用。
3、故障分析示例
3.1 故障现象一:V8 应亮不亮
用导线将试验器 X46 插孔和设备安装架 X14H 接插件的 4 触点连接起来,顺时针转动“R6”到止动点,将“S23”波段开关置于“ПНК”位置,接通“S27”和“S38”开关,将“S33”波段开关置于“5”位置,按压“S21”按钮,“V8”信号灯燃亮,逆时针转动“R6”至“V8”信号灯熄灭,再顺时针转动“V8”信号灯不亮(应该燃亮)。
3.1.1 故障原因分析:
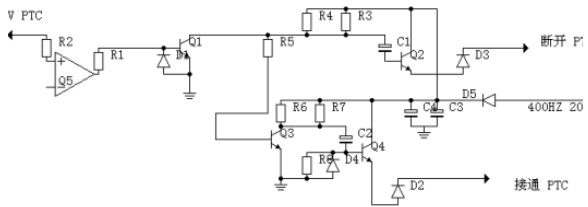
如下图一,通过调整电位计,即设备面板上“R6”,可调节运放Q5 的输入 , 如果输入值小于 20V, 则运放 Q5 输出一个低电平 , 三极管Q1 截止 .400Hz20V 信号通过二极管 D5,C3,C4 滤波给 Q4 提供电压 ,这样 Q4 工作 , 接通 PTC,V8 信号灯亮 ; 如果输入值大于 23.5V, 运放输出一个高电平 ,Q1 接通同时给电容 C1 充电接通 Q2, 断开 PTC, 同时 Q3也接通并给 C2 充电使 Q4 的 bc 之间的电压低于它的工作值,这样Q4 截止,V8 信号灯不亮。
图一

本故障由于C1 漏电,使Q2 的b 极电压牵制为0.7V,V2 反向导通,所以不论怎么调电位计“R6”,V8 始终不亮。
3.1.2 排除方法:
更换 C1(4.7μF 电容),输出正常,经多次测量性能均合格,故障排除。注意焊接拆装时不要损伤电路板,保证电路板上的干净整洁 ,避免损坏元器件或残留物遗留在电路板上造成短路等不良情况,做好元器件和电路板的防护。
3.2 故障现象二:V8 应灭不灭
用导线将试验器 X46 插孔和设备安装架 X14H 接插件的 4 触点连接起来,顺时针转动“R6”到止动点,将“S23”波段开关置于“ПНК”位置,接通“S27”和“S38”开关,将“S33”波段开关置于“5”位置,按压“S21”按钮,“V8”信号灯燃亮,逆时针转动“R6”,V8 不灭(V8在调整电压至22V 时应该熄灭)。
3.2.1 故障原因分析:
当产品有转换故障时,且故障为信号控制电路板故障,可借用 61针电路板检测平台进行辅助排除,排除方法如下:
将信号控制电路板与 61 针电路板检测平台连接可靠,分别做以下设置,并查看相应指示灯。
1)给А7 脚与А8 脚和Б8 脚提供27V 电,则А9 输出27V(灯亮),之后再给Б9 提供27V 电,则А9 不输出27V(灯灭)。
2)给 А16 脚与 А28 脚提供 27V 电,则 Б24 输出 27V(灯亮),А30 输出27V(灯亮),之后再给А15 提供27V 电,则Б24 不输出27V(灯灭),А30 不输出27V(灯灭)。
3)给 А23 脚与 Б27 脚提供 27V 电,则 Б24 输出 27V(灯亮),А30 输出27V(灯亮)。
4)给 Б23 脚与 Б31 脚提供 27V 电,则 Б24 输出 27V(灯亮),А30 输出27V(灯亮)。
5)给 А24 脚与 А28 脚提供 27V 电,则 Б30 输出 27V(灯亮),А27 输出27V(灯亮)。
6)给Б19 脚与А28 脚提供27V 电,则А29 输出27V(灯亮)。
7)给 А16 脚与 А28 脚提供 27V 电,则 Б24 输出 27V(灯亮),А30 输出 27V(灯亮),之后再给 А20 提供 27V 电,则 Б24 不输出27V(灯灭),А30 不输出27V(灯灭),Б10、Б15 输出27V(灯亮),А12、А13、А18、А21 输出27V(灯亮)。
或接通设备对应开关时,给信号控制电路板上供电,按操作,调整电压到 22V 时,设备指示灯 V8 应该熄灭,V78 处整流桥 2Д906 输出端没有电压,判断2Д906 损坏。
3.2.2 排除方法:
更换信号控制电路板上的整流桥2Д906 后测试合格,故障排除。
3.3 故障现象三:V6 应灭不灭
在进行修理时发现,接通“S1”和“S2”开关,试验器上“27V”、“~ 115VA”、“~ 115VB”、“ ~ 115VC”电源信号灯燃亮。将“S19”波段开关置于“3”位置,“S23”置于“ПНК”位置,按压“S22”按钮。将“S23”波段开关置于“ИК-ВК”位置,按压“S21”按钮,“V6”信号灯燃亮。接通“S24” ~ “S26”开关,“V6”信号灯不灭(此时应该熄灭)。
3.3.1 故障原因分析:
通过故障现象分析,同样也可以通过 61 针电路板检测平台给电路板加电,查找故障所在线路;然后连接测试设备,将“S23”波段开关置于“ИК-ВК”位置,按压“S21”按钮,并接通“S24” ~ “S26”开关,在对应线路上测量电压值,信号控制电路板上的 J5 位置(图号为 РЭС60 (ОС)0001)的继电器线圈有压降,此时应当接通,设备指示灯 V6 应该熄灭。然而通过测量可以发现,对应继电器引脚未跳到应该导通的位置,继电器线圈有电压而引脚未导通,可以判断此继电器损坏。
3.3.2 排除方法:
更换信号控制电路板上的 J5 位置继电器 РЭС60 (ОС)0001,多次测试合格,故障排除。
参考文献
[1] 魏瑞轩,某型飞机飞行导航与控制系统(下),1998.6
[2] 臧斌,某型飞机飞控设备与维护,2006.3
作者简介:郑紫阳(1993.11),男,汉 ,河南焦作,学士,助理工程师,研究方向:飞控。