基于BOPPPS 教学模式的新工科通识选修课教学设计探究
李跃鹏 廖先莉 唐琳 杨湘豫
成都大学电子信息与电气工程学院 四川成都 610106
中图分类号:G642.1 文献标志码:A
随着新工科教育的理念推广和实施,越来越多的理工科课程逐渐成为本科通识选修课中的热门,特别是实践类的理工编程课程,结合当代信息技术的发展,能够很好的激发出学生学习程序设计的热情。然而由于理工课程本身具有逻辑性、复杂性、关联性以及学生专业的局限性,让这类选修课程尽管热度很高,但在具体的学习过程,很难让学生理解学习到理工科课程原理与方法。为了解决这一问题,基于 BOPPPS 教学模式的新工科通识选修课教学设计应运而生。BOPPPS 教学模式是一种具有很强操作性核实用性的教学设计模式,其强调以学生为中心,注重互动和反馈,能够有效提升学生的学习兴趣和参与度[1]。通过将 BOPPPS 模式应用于新工科通识选修课,教师可以更好地引导学生理解复杂的理工科原理,并培养他们的实践能力和持续学习的内在动力。LabVIEW 作为一种图形化编程语言,其易学性、直观性和灵活性等显著特征,使其成为新工科通识选修课的理想选择。本文以LABVIEW 程序设计-for 循环为例,以理、工、文、法、医等学科专业学生为授课对象,应用BOPPPS 教学模式,探索新工科背景向理工科课程作为通识选修课的教学设计与方法。
1 课程教学设计概述
BOPPPS 教学模式可分为六个阶段:导入(Bridge-in)、目标(Objective)、前测(Pre-assessment)、参与式学习(ParticipatoryLearning)、后测(Post-assessment)和总结(Summary),每个阶段在课程教学设计中的都有自己独特的地位,是保证教学完整和教学效果的一种重要模式[2]。
在 labview 程序设计 -for 循环教学过程中,在导入阶段,通过实际案例或生活实例或常识引入循环结构的应用场景,激发学生的学习兴趣。目标阶段则明确本节课的学习目标,让学生清楚知道需要掌握的知识和技能。前测阶段通过提问或小测验,了解学生对循环结构的已有认知水平,为后续教学提供参考 [3]。参与式学习阶段是课程的核心,教师通过 LABVIEW 软件视频演示循环结构的具体操作,并引导学生进行实际操作练习。在此过程中,教师应注重与学生的互动,及时解答疑问,并鼓励学生之间相互讨论和合作。后测阶段通过设计相关练习题或小项目或者小游戏,检验学生对循环结构的掌握程度,并提供反馈和指导。最后,在总结阶段,教师对本次课程的内容进行回顾和总结,强调循环结构的重要性和应用价值,并布置相关的课后作业或项目,进一步巩固学生的学习成果。通过这种教学模式,学生不仅能够掌握LABVIEW 程序设计中的循环结构,还能培养解决实际问题的能力和团队合作精神。
2 “LABVIEW 程序设计 - 循环”教学设计
2.1 循环 - 导入(Bridge-in)设计
本课程作为一门通识选修课,教授对象为理科、工科、或者部分经济、艺术、文科等专业学生,随着科技浪潮的推进,新工科的一些思维受到广泛专业学生的重视。但是,除了理工学类的学生,其他专业类型的学生并不具备编程的基础概念和思维,因此在这部分内容讲解的引导中,需要采用大众化的现象来引导学生建立循环的概念。本教学设计中从高中的知识点和社会常规现象中去提取“循环”概念:利用高中化学的“苯环”、高中地理“水循环”建立程序设计中循环的初步概念:反复连续的做某一件事情。在建立好“循环”概念后,向学生引出“什么是循环结构”以及“循环运行是如何开始?做什么?如何结束”。
2.2 循环 - 目标(Objective)设计
“循环”是程序设计中至关重要的概念,本课程内容设计包含以下几种目标:
知识与技能目标:掌握循环的基本概念,对于循环所具备要素有正确的认识,掌握循环结构设计的正确方法,掌握 for 循环的构成,理解for 循环的执行过程[4]。
思政目标:在新工科背景下,思政元素的正确融入是课程目标的重要方面,本课程设计内容通过学生对循环学习和认识,可以让学生理解无论是个体还是集体都在循环重复着相同或相似的事情,但这些相同或相似的小事情做好,可以带来量变到质变的跨越。
人才培养:循环学习过程中的理念和方法的掌握有助于新工科、新文科等各种课程学习,学会会对复杂问题的分解,善于从繁琐的环节中去寻找内在的规律和联系,也是在 OBE 人才培养理念中以成果导向教育、能力导向教育、目标导向教育或需求导向教育的重要组成部分。
2.3 循环 - 前测(Pre-assessment)设计
在课程设计中,前测设计是了解学生学习基础、学习能力、学习兴趣的重要环节 [5]。通过对导入(Bridge-in)、循环 - 目标(Objective)的讲解,学生对概念有初步认知,应用线上问答选择的形式设计问题本课程内容的前测(Pre-assessment)。设计利用生活中的现象设计选择性问题引导学生判断什么是循环,包括有:电流的流动、手机 APP 的运行、光的传播、万米环形长跑。在学生思考选择好答案以后,逐一向学生讲解四种答案中是否有“循环”现象,理解学生的知识基础和理解能力。
2.4 循环 - 参与式学习 (Participatorylearning) 设计
2.4.1 for 循环结构概念 - 类比学习法
在for 循环主要构成中,主要包括有三种元素:循环变量,循环体,循环中止。本课程内容设计中采用“400m 环形跑道万米长跑”中所具备的要素类比循环结构中的各要素。

上述类比过程中,可以实现非理工科学生对循环的概念更好理解,鼓励学生从循环结构要素中的各个概念去寻找“400m 环形跑道开展万米长跑”相类似的循环要素。在此基础上,针对具备一定程序设计思维的理工科学生,采用通用 C 语言 for 循环结构对比学习 labview 软件 for 循环结构。

Labview 可以作为一种程序设计图形化工具,需要让学生直接明白循环的如何操作。教学设计中现场演示软件中各个控件和循环结构的调用,介绍 for 循环中程序对象的两种添加方法,采用实例的方式让学生学会使用 for 循环:应用 For 循环结构产生 100个随机数。教学设计中结合for 循环结构介绍实例中各个要素[6],循环变量i:(随机数个数0-99 递增变化):小于100 次,循环体:产生随机数;循环中止:当100 个随机数产生结束。
labview 的 for 循环结构执行过程的理解程序设计的重要方面,面对多种学科领域的学生,开展通俗易懂的讲解方式能够更好的让学生掌握。本教学设计中仍然以“400m 环形跑道万米长跑”详细过程来类比 for 循环变量,参照教学设计如图 2 所示。并引出labview 中for 循环执行过程中注意事项:i 值是从0 开始计数,N 值(循环总执行次数)在循环执行前读取,后续不在读取。

2.4.2 for 循环结构 - 互动学习法
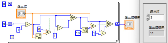
通过对 for 循环中各要素以及执行过程的讲解,为了更好加深学生的印象,设计采用游戏进行互动,让学生体验循环过程中的各个要素和执行过程。选取 8 名同学开展“逢 3 过”的游戏:8 位编号(1-8 号)同学的依次从 1 开始数数,不能数尾数为 3 或者 3倍数的数,数 8 次以后,最后一个数是多少?游戏的过程中具备循环的各个要素,每一名那个参与者都是一次循环,让学生体验游戏过程的同时理解游戏中的循环要素。
2.5 循环 - 后测 (Post-assessment) 设计
在 BOPPPS 的教学设计中,后测是检验课堂效果的重要方面,也是调动学生课后持续学习的重要方法,后测可以采用课堂后测并结合课后练习的方式实践。本教学设计中,结合参与式学习中介绍的“逢三过”的游戏,持续让学生寻找游戏中所对应的 for 循环要素。
题目:“逢三过”游戏中用 for 循环结构表示,for 循环的三要素对应的是什么?并将题目发布到线上学习平台,要求学生在规定时间内完成回答,检验学习情况,并结合学生回答情况对游戏中的要素讲解。
(1)循环变量i 是什么?答:同学的编号及数数顺序;
(2)循环次数N 是什么?答:数数的总次数;
(3)循环操作内容是什么?答:尾数不为3 或者3 倍数的数;
(4)课后练习:利用for 循环结构完成1-100 奇数的累加。

2.6 循环 - 总结 (Summary) 设计
总结是对本次课程内容的集中概括,可以采用列举、关键词、学生自主总结、思维导图等多种形式。并将总结的内容回归到课程核心内容上。本课程设计主要要求的学生掌握循环、循环结构的定义,并重点要求学生能够利用循环的定义,理解 for 循环中各个要素,并利用这些核心要素完成编程训练。本课程设计总结内容包括有:
For 循环三要素及执行过程。
(1)循环变量i:计数值,指出循环什么时候开始;
(2)循环次数N:总次数,循环什么时候结束;
(3)循环框:循环体,循环具体做什么事情;
并重点指出循环是反复连续的做某一件事情,循环结构是在程序中需要反复执行某个功能而设置的一种程序结构。
3 效果及总结
通过本次课程教学设计,针对通识选修多种学科专业学生的学习,根据学生的课堂反应和测试效果,相比于其他章节的教师教授为主,学生课后练习为辅助的教学形式,学生对本课程内容的章节理解的更加透彻,并通过线上的形式完成了习题内容,利用for 循环结构完成1-100 奇数的累加,其程序正确设计高于传统作业完成情况,并表现对labview 程序设计进一步深入学习的兴趣。
本课程教学是基于 BOPPPS 模式的形式设计,BOPPPS 教学模式有效的保证了课程教学中各环节衔接关系 [7-8]。在导入环节中利用学生所熟知的现象,激发了学生学习兴趣;在目标环节中明确了学生学习的目标以及需要掌握的重点难点内容;在前测环节中有效的掌握了学生以往知识结构的情况,便于更好调整后续上课内容和方法;在参与式学习中融入了讲授法、类比法、游戏互动等多种形式,调动学生学习积极性,活跃课堂氛围 [9-10];在后测环节中根据前后课堂教学内容的关系,检验课堂教学成果;在总结环节中,采用列举回顾的方式,对课堂内容进行概括总结,并回归课程教学主线,实现整个课程教学连贯呼应。基于BOPPPS 的教学设计用于课程教学中适应范围广泛,在能够保证教学内容的情况,更好提升了教学效果,丰富了教学形式,激发学生兴趣,适应不同学科专业学生的学习。此外,BOPPPS 教学需要教师对课程内容,以及课程教学内容的广泛收集和整理,从而得到更好教学响应。
参考文献:
[1] 武艳,吴敏珏,卞钰 . 线上线下混合优化的 BOPPPS 教学模式课程思政教学评价探索 [J]. 教育信息化论坛,2023(02):108-110.
[2] 孟庆华. 信息技术辅助物理课堂教学的误区及对策[J]. 中小学电教( 下),2014(02):52.
[3] 张琴,周福娜,向阳,等 . 基于 BOPPPS 的新工科课堂教学设计 [J]. 科教导刊 . 2023 (07):64-67.
[4] 陈晓云. 以思维可视化方式培养学生计算思维的应用研究[D]. 南京:南京师范大学,2021.
[5] 金丹王鲁杨.“电子技术课程设计”教学改革分析与思考[J]. 中国电力教育,2013 (02):98-
[6] 余伟 . 循环不变式在程序设计教学中的应用 [J],科技风,2014(14):120-121
[7] 袁云博. 基于BOPPPS 教学模型的语言学课程“引入”环节教学设计[D], 长春:长春中医药大学,201
[8] 张莉,王秋宝. 基于BOPPPS 教学模式的复变函数论教学设计- 以“解析函数的概念与柯西—黎曼方程”为例[J],大学数学 ,2023 ,39 (04):113-118.
[9] 张立霞 .BOPPPS 教学模型下高职英语精读课教学改革实践探讨 [J], 教育信息化论坛 . 2023 (07):63-65.
[10] 覃小伶,韦业,袁颖,等 . 基于 BOPPPS 教学模式的医药数理统计课程教学改革探究 - 以全概率公式的教学设计为例,