EPR机组低加疏水泵频繁启停原因分析
赵斌
台山核电合营有限公司电厂运行部 广东省 台山市
· 引言
2018 年 11 月 09 日中班,主控配合 PTC/PTI 进行 TP-RRC-115 试验,设置电功率以 5%Pn/min 的速率从 60%Pn 升高到90%Pn。试验过程中,主控巡视发现1ABP3370PO-在频繁启动停运,泵出口阀1ABP 3382VL-关闭,再循环管线阀门 1ABP 3391VL-开启,应急疏水阀 1ABP 3366VL-间歇开启,1ABP 3320BA-液位在应急疏水阀控制下呈锯齿状波动。
图 1 RRC115 试验期间 ABP3370PO 频繁启停现象

ABP 系统流程简介
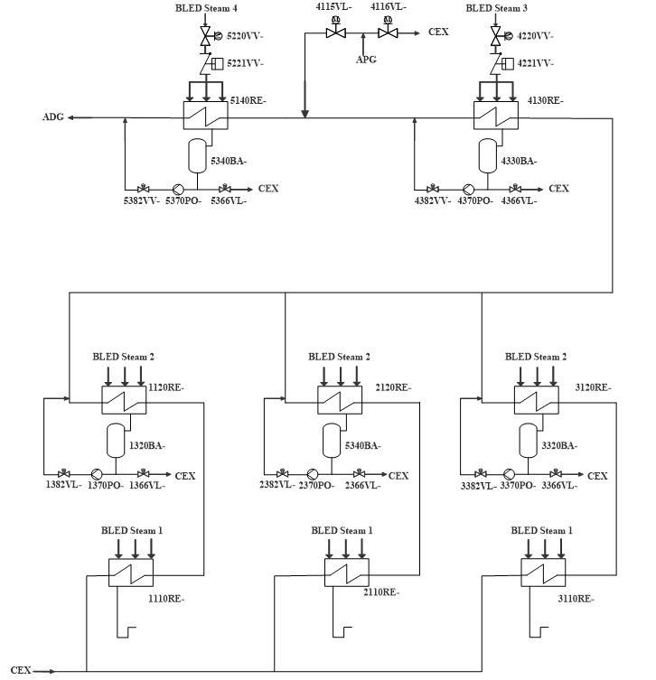
ABP 系统由三台并列的复合式加热器、一台容量 100% 的3 号低压给水加热器、一台容量 100%的4 号低压给水加热器组成,1、2、3、4 号低压给水加热器的加热蒸汽分别由汽轮机低压缸1、2 级抽汽和中压缸3、4 级抽汽提供。
1/2 号低压给水加热器(R1 和 R2 串联),容量各为 33.3% ,每台凝汽器的颈部各装1 台。1 号低压给水加热器的疏水经过1 个U 型管排放到冷凝器,2 号低压给水加热器的疏水排放到相应疏水箱,并由疏水泵输送到3 号低压给水加热器上游, 或经应急排放阀排放至冷凝器;
3 号低压给水加热器的疏水排放到相应疏水箱,并由疏水泵输送到4 号低压加热器的上游,或经应急排放阀排放至冷凝器;
4 号低压给水加热器的疏水排放到相应疏水箱,并由疏水泵输送到4 号低压加热器的下游,或经应急排放阀排放至冷凝器;
APG 系统冷却疏水在大于90°C 小于160°C 时排放到3、4 号低压加热器之间的管线上。
图2 ABP 系统流程简图

ABP 疏水调节原理
正常运行时:2、3、4 号低压加热器的疏水箱水位由位于凝结水疏水泵下游的凝结水正常疏水阀控制控制;
凝结水疏水泵停运时相应的凝结水正常疏水阀关闭;
凝结水应急疏水阀作为正常疏水阀的备用,将凝结水通过应急疏水管线排到冷凝器,在正常运行时,凝结水应急疏水阀处于关闭状态;
2/3/4 号低压加热器正常疏水调节在汽机负荷大于20%时由水位传感器生成整定值控制阀门开度,在汽机负荷小于20%时,固定25%开度;
应急疏水阀由位于现场的PLC 液位控制器控制开启,调节器的类型为比例式。
1. 原因分析:
经查询 TEC4 逻辑,1ABP 3370PO-停运逻辑如下
1) 电机定子绕组或轴承温度高2;
2) 1ABP3320BA 液位低于 200mm 时,保护停运;
3) 泵出口流量<44m3 时,再循环阀门1ABP3391VL 未开启,保护停运;
4) 汽机跳闸或厂辅变切换;
1ABP 3370PO-启动逻辑如下:
1)存在GSY 同步并网信号,且1ABP3320BA 液位不低于300mm 时,优先自动启动;
图 3 1ABP3370PO 启停逻辑

其中,参与 ABP3370PO 启停控制的液位计 1ABP3325/3326/3327MN 表决逻辑如下,如下图,从中可以看出1ABP3320BA 液位低于 200mm 时,将触发保护停运信号;存在 GSY 同步并网信号,且 1ABP3320BA 液位不低于300mm 时,有优先自动启动信号。
图 4 1ABP3325/3326/3327MN 表决逻辑

再循环管线阀门 1ABP3391VL-逻辑如下:当 1ABP 3384MD 流量小于 44m³时或 1ABP3370PO-泵停运时,优先开启,流量大于120m³时,优先关闭。如下图所示:
图 5 再循环管线阀门 1ABP3391VL-开关逻辑

应急疏水阀 1ABP 3366VL-为就地 PLC 控制,根据 ABP 疏水箱液位试验结果,1ABP3320BA 液位由应急疏水阀控制时,液位稳定在900mm 左右。
根据图 1 的曲线可知,最初负荷变化导致疏水箱液位扰动,引起泵出口流量波动,低于44m³时,再循环管线阀门1ABP 3391VL-开启,随后应急疏水阀1ABP 3366VL-突然开启,导致疏水箱液位进一步下降,当液位低至200mm 时,泵设备保护信号使其自动停运,此后应急疏水阀关闭,疏水箱液位上涨至300mm 时,由于GSY同步并网信号一直存在,1ABP 3370PO 接收优先启动信号,该信号优先级高于手动信号,故将疏水泵打手动也无法避免泵自动启停。
泵启动后,由于液位低,出口调节阀 1ABP 3382VL-仍保持关闭状态,正常疏水流量无法建立。
因 1ABP 3366VL-关限位反馈存在故障,在疏水泵频繁启停期间,有段时间关反馈丢失,实际液位仍由应急疏水阀控制下波动,直至正常疏水投运后,关反馈信号仍未发出,经现场操作员就地核实阀门状态,应急疏水阀定位器显示开度- .0.05% ,机械指示为全关。
1. 结论:
1ABP 3370PO 频繁是启停由于应急疏水阀1ABP 3366VL-非预期开启所致,在ABP 疏水箱液位试验期间,当液位达到990mm 时,应急疏水阀才会开启, 疏水箱液位控制在900mm 左右。此次瞬态中,在再循环管线阀门 1ABP 3391VL-开启的情况下 应急疏水阀自动开启,因此,本次RRC115 试验期间 1ABP 3366VL-的动作与试验结果不符。 怀疑 再循环管线出水口跟参与应急疏水阀控制的液位计存在干涉,再循环水进入水箱使得液位计频繁波动导致应急疏水阀频繁开关,疏水箱液位过低,正常疏水阀无法开启建立流量。
若再次发生1ABP 3370PO-频繁启停现象,可采取如下措施来恢复正常疏水:
1) 及时将泵断电,避免泵体损坏,待疏水箱液位上涨后,泵出口阀自动开启,此时可恢复供电,手动启动疏水泵,建立流量。
2) 将应急疏水阀切至就地手动控制,待疏水箱液位升高,泵出口调节阀自动开启后可手动启动疏水泵。3) 临时更改再循环管线阀门关闭定值,使得再循环管线阀门提前关闭,避免应急疏水阀非预期开启,以尽早恢复正常疏水。
参考文献
[1] ABP - SDM Chapter 5.7 - I&C Functional Diagrams
[2] ABP - SDM Chapter 2 - SYSTEM DESIGN MANUAL ABP SYSTEM: SYSTEM OPERATION