一种高可靠性励磁变风机控制装置的研究与设计
刘岳辉
大唐国际发电股份有限分公司陡河热电分公司 063000
引言:
在现代电力系统中,励磁变风机对于保障发电机稳定运行、提高发电效率的关键作用。随着电力需求增长和机组规模扩大,对励磁变风机控制装置可靠性、维护便利性提出更高要求的现状。研究新型控制装置对提升电力系统稳定性、降低运维成本和保障电力供应安全有着极其重要的意义。
一、国内外研究现状
随着风力发电在电网中所占比重增加,电网对励磁变风机提出了无功控制、有功变化率控制、频率控制与低电压穿越能力等新要求,励磁变风机控制系统需要更好地满足这些要求,以保障电网的稳定运行。励磁系统长期工作在高温、高电压等恶劣环境下,励磁变风机的电源中断、断相、三相电压不平衡,以及风机电动机损坏、轴承损坏、堵转、风机叶片损坏等电气和机械故障较为常见。励磁变风机一般采用单电源供电方式。
二、新方案的研究与分析
2.1 新方案提出的目的
励磁变系统优化的目的主要围绕提升设备可靠性、保障电网稳和提高运行效率及降低运维成本,通过改进供电系统,能及时切断故障源,防止故障扩大,保障整个电力系统的安全。改变控制逻辑和接口标准,可简化现场调试、故障排查流程,减少运维人员的技术门槛和工作负担。
2.2 研究方法与技术路线
励磁变风机供电电源采用双回路供电的方式能够有效提高供电可靠性,双路电源可以平衡负载,减少电压波动和电流冲击。通过设置的控制柜和冷却风机组件,冷却风机组件可以通过抽拉的方式滑动在控制柜内,能够对控制柜进行降温,当风机本体被抽出时,维修人员可以直接接触到风机本体,无需拆卸风机本体的其他复杂部件就能对设备进行检查、维护和更换,大大节省了检修时间和工作量。
2.3 励磁变电源改造
为了解决励磁风机电源可靠性差和一台风机故障全部风机失电的问题,本实用新型提供一种新的低压配电系统配置方案,该设计方案与传统方案相比,可靠性高,运维简单。
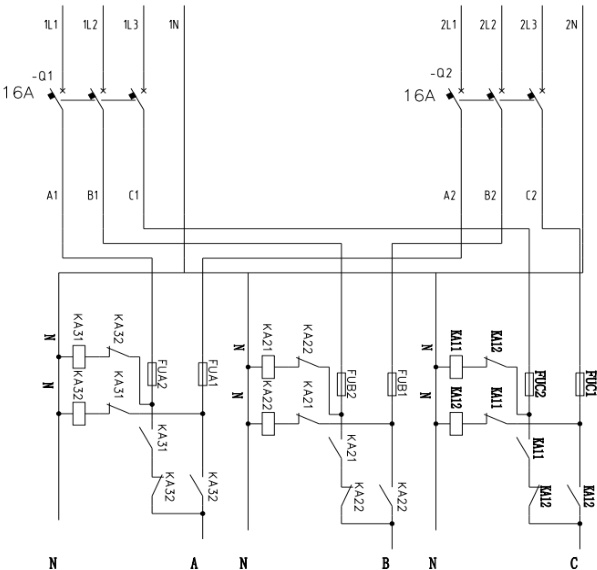
图1 励磁双回路切换原理图

新方案中励磁变风机采用的双电源供电和 PC、MCC 两级保安配电方式,这种供电方案使得设备设备运行的可靠性大大增强、故障影响范围减少。双回路可分担用电负荷,当其中一条线路负荷过高时,另一条线路能辅助供电,维持电压和频率稳定,降低因负荷波动导致的供电质量问题。在对一条线路进行维护或检修时,可通过另一条线路供电,无需完全停电,提高了设备的可维护性,也减少了检修对设备运行的影响。
2.4 励磁变风扇布置及结构优化
励磁变风机的控制装置,包括控制柜和设置在控制柜下端用于支撑的底座,所述控制柜的内部设置有冷却风机组件,冷却风机组件通过可抽拉的方式滑动在控制柜内,能够对控制柜进行降温;
所述控制柜的内部开设有内腔,内腔的内部底壁上开设有滑槽,控制柜的内部开设有通气槽,通过通气槽能够使控制柜的内部相通;
励磁变冷却风机组件包括抽屉和设置在抽屉下端的滑块,滑块滑动设置在滑槽内,抽屉的内部安装有内置框,内置框的内壁上安装有底板,底板的上端安装有风机本体,抽屉的前端还设置有把手,把手用于供使用者手持,拉动把手能够将抽屉从内腔中抽出,使得冷却风机组件整体取出,可以对冷却风机组件进行检查、维护和更换,冷却风机组件各个部件相对独立,当某个部件出现故障时,可以单独对该部件进行检修或更换。
图2 励磁变控制箱外观示意图

风扇抽屉的左右两侧均设置有侧块,侧块上螺纹穿插有螺栓。控制柜的表面上开设有安装孔,安装孔与螺栓螺纹配合,能够对抽屉的位置进行固定,即可将冷却风机组件固定在控制柜上。滑块的外壁上均匀分布有耐磨层,耐磨层起到耐磨的作用。滑槽的左右侧壁上开设有延展槽,延展槽的内部均匀分布有若干活动滚珠,当滑块在滑槽内滑动时,利用设置的活动滚珠可以减少滑块和滑槽之间的摩擦。控制柜的内部还安装有支架,支架的上端安装有供电电源。
三、新方案的优点
本设计采用两条线路独立运行,若一条线路因故障停止供电,另一条线路能迅速切换,保障供电连续性,大幅减少设备停电时间。采用双回路供电,可避免因单线路故障导致生产中断,减少经济损失。同时双回路可分担用电负荷,当其中一条线路负荷过高时,另一条线路能辅助供电,维持电压和频率稳定,降低因负荷波动导致的供电质量问题,如电压骤降、频率偏移等,确保励磁变正常运行。
分相可抽出式冷却方式当风扇出现异响、转速异常或停转等问题时,可拆卸设计能直接将风扇从励磁变上取下,方便技术人员快速检查风扇内部零件(如电机、轴承、叶片)的损坏情况,缩短故障排查时间。
若风扇某一部件(如叶片磨损、电机线圈老化)需要更换,无需拆卸整个励磁变设备,只需拆下风扇即可单独维修或替换零件,降低维护复杂度。励磁变运行时会产生热量,风扇是关键散热部件。可拆卸设计允许定期清理风扇叶片及内部的灰尘、杂物(如油污、金属碎屑),避免因积尘影响散热效率,防止励磁变因过热导致绝缘老化、寿命缩短甚至故障。
无需整体拆卸励磁变,仅拆卸风扇即可完成维护,大幅缩短检修周期,减少因维护导致的设备停机时长。可拆卸设计避免了因风扇故障而更换整个励磁变设备的高额费用,只需针对风扇进行维修或更换,降低备品备件成本及人工检修成本。
四、结论
综合考虑安全性、经济型、设备选型等方面诸多因素,励磁变风扇电源与结构设计优化方案为:励磁变风扇电源采用双电源供电和 PC、MCC 两级保安配电方式,风扇整体结构采用分相可抽出式结构。该设计方案与传统方案相比,可靠性高,经济性好,运维简单。
本论文围绕励磁变压器风扇的双电源供电和运行中可抽出冷却风扇的技术特性展开研究,系统分析其在热管理领域的创新优势。研究表明,新型研究成果,有效避免因停机检修导致的业务中断,使系统可用性提升 30% ;同时,快速更换机制显著缩短运维时间,降低维护成本达 50‰ 此外,持续稳定的散热性能保障了设备长期运行的可靠性,减少因过热引发的故障风险。这些成果为其他高热量设备提供了高效、安全的散热解决方案。
参考文献
[1]DL/T5153 火力发电厂厂用电设计技术规程
[2]GB7251 低压成套开关设备和控制设备
[3]杨奇,罗敏《励磁变附件设计选型优化》,《电力安全技术》2021 年第23 卷第 6 期