25Hz 轨道电路基本组成及故障处理
肖荣
乌鲁木齐电务段 841100
在现有的铁路系统中,铁路线路图是确保铁路安全运行的重要基础设施,同时也担负着检查通过路段的列车状况、检查轨道完整性和传递列车信息的重要任务。它们的工作原理是利用钢轨的导电性来形成道路的完整状态。在日常维护和管理25 赫兹轨道电路时,必须了解轨道电路的连接方式及其优点。本文通过对 25Hz 轨道电路故障的处理和分析,对解决实际问题有一定的参考作用。
目录
1
1、 25Hz 轨道电路设备的基本组成及工作状态
2、25 Hz 轨道电路故障处理方法 1
2.1 轨道电路出现的情况 1
2.2 25Hz 轨道电路送电端故障处理方法 1
2.3 25Hz 轨道电路送电端故障处理补充 3
2.4 受电端短路故障处理方法 3
3 结 语 4参考文献: 4
1、 25Hz 轨道电路设备的基本组成及工作状态
25Hz 相敏轨道电路由轨道变压器、限流电阻、扼流圈变压器、隔离盒、电缆线路、避雷补偿器、防护盒、二进制轨道继电器组成,轨道电路没有任何设备,无法正常工作,如防护盒是干扰流,避雷补偿单元用于防雷,提高局部轨道线圈的功率比。从25 赫兹相位敏感轨道电路原理可以看出,应用“ 故障-安全” 原则,“ 轨道继电器落下表明线路区段存在占用或故障,其他路段的列车不会进入该区段,保证了行车安全,轨道继电器本身的特性安装仅符合标准要求,轨道继电器如出现故障,不符合轨道继电器要求。
2、 25Hz 轨道电路故障处理方法
2.1 轨道电路出现的情况
(1)轨道短路送端引接线电流会比正常值高、轨面电压低,说明是短路故障;开路电流会比正常值低、轨面电压比正常值高。
(2)在送双受区段,如果受电端回楼电压比正常高1 V 左右,引接线卡电流会比正常值高,另一受电端一定是开路,回楼无电压,引接线卡电流会比正常值低很多。
(3)如果有一受电端回楼比正常值低很多,引接线卡电流会比正常值低很多,另一受电端一定是短路,回楼电压比正常值低很多,引接线卡电流会比正常值大很多。
(4)短路在送端和分支附近的轨道上,两受电端会同时受到影响。开路在送端和分支之间的轨道上,两受电端也同时受到影响。
2.2 25Hz 轨道电路送电端故障处理方法
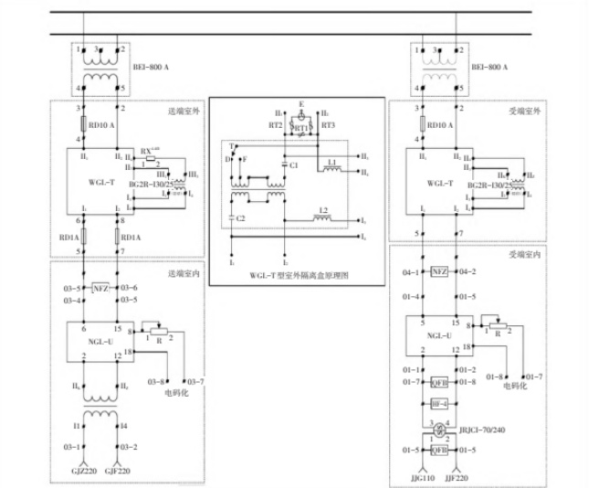
送电端二次输出为电路的中间点进行测试(用万用表10~15 V 档),具体处理步骤及电路如图1 所示。
(1)送电端二次输出无电,再进行Ⅲ1~Ⅲ2 和Ⅲ2~Ⅲ3 测试证明一次输入和二次线圈故障(用万用表10~15 V 档)。
(2)Ⅲ1~Ⅲ2 和Ⅲ2~Ⅲ(3 用万用表10~15 V 档)测试任何一处有电,说明一次正常,二次使用线圈开路故障。
(3)二次使用线开路圈故障处理: ① 大线圈大电压,小线圈小电压,线圈电压不正常是开路;大小线圈正常说明使用连线开路。 ② 测试使用连线有电压说明使用连线开路,使用连线无电压后断信号圈保险测试大小线圈,线圈无电压是开路。
图 125Hz 相敏轨道电路叠加ZPW-2 000 电码化(两线制)

(4)Ⅲ1~Ⅲ2 和Ⅲ2~Ⅲ(3 用万用表10~15 V 档)测试任何一处无电,说明一次线圈故障。
(5)一次线圈故障处理:测试Ⅰ1 和Ⅰ4 无电流,说明输入电源。故障在变压器外输入线。测试Ⅰ1 和Ⅰ4 有电流,再测试Ⅰ1~Ⅰ3、Ⅰ2~Ⅰ4、Ⅰ2~Ⅰ3,线圈有电压并等于输入Ⅰ1~Ⅰ4 V,说明开路。
(6)Ⅰ1 和Ⅰ4 无电输入电源故障处理:测试保险输出有 220V ,说明保险至Ⅰ1 和Ⅰ4 开路,断保险用电阻校线。测试保险输出无 220V ,测试输入电缆有220 V,说明保险开路,用电压判断保险。
2.325Hz 轨道电路送电端故障处理补充
在现场,由于箱盖,需要检查扼流变压器的输出电压和电流。现场排除轨道故障,同时分析因适配器影响相位角的电压和相位角,损坏、单轨道接地、相邻路段绝缘损坏和车辆运行时反向拉力流差。然而,适配器损坏、防护盒损坏、单轨道接地以及相邻段绝缘损坏都会影响相位角。因此,为了具体分析情况,确定适配器的功能故障,电容两端的电压等于电阻和输入电压两端的电压之和。
2.4 受电端短路故障处理方法
(1)扼流圈中两个长、短夹的电流相等,电压不均表示钢轨绝缘损坏;长传动扼流圈旁长轨电流相等,电压不均表示短路变轨时绝缘损坏。
(2)当信号圈破裂时,电流表卡在端点端点端点端点的夹线上,电流表的值没有显著变化,表示信号圈与扼流圈之间的短路点。
(3)使用电流表检查扼流圈为 4~5 号的电缆是否有电流,如果有电流,检查进入信号线圈的电缆是否有电流;如果没有,请在信号圈上指定4-5 号扼流圈夹的短路进入电缆。测试圈的输入电缆具有指示信号圈输入端子柱短路的电流。
(4)使用电流表检查 4~5 号无电流端子的扼流圈电缆,甩开 4 号扼流圈电缆,从适配器线路上解除电压,然后使用电流表检查 4、5 号端子的连接器是否有电流。如果扼流圈一侧有电流表示短路,则无电流表示扼流圈一侧短路或盒侧短路。
3 结 语
线路在运行过程中会受到各种因素的影响,为了确保铁路运输的安全,除了选择最佳频率作为铁路链信号信息传输载体外,技术人员还必须仔细维护和调整铁路链。应对各种不利情况,采取有效措施消除隐患,提高安全系数。
参考文献:
[1] 高志远. .25Hz 相敏轨道电路故障分析探讨[J]. 山东工业技术,2015(13):142.[2] 雷勇. .25Hz 轨道电路室外故障分析探讨[J]. 科技资讯,2015,13(5):33.[3] 李琰.对 25Hz 轨道电路信号故障处理方法研究[J].中国新通信,2014,16(16):69-70.[4]苏成国. 25Hz 微电子相敏轨道电路的故障与维护[J].哈尔滨铁道科技,2009(1):38,40.