质子交换膜燃料电池热管理系统控制研究
潘陈兵
1 南京航空航天大学;2 安徽瑞氢动力科技有限公司
Abstract: Proton exchange membrane fuel cells (PEMFCs) offer advantages such as high power density, rapid startup, environmental friendliness, and high energy conversion efficiency, making them one of the most widely used fuel cell types today. However, temperature significantly impacts fuel cell system performance: low temperatures can lead to excessive liquid water accumulation inside the fuel cell, posing a risk of flooding; high temperatures can cause the stack to become too dry, affecting system performance. This paper presents a vehicle-mounted proton exchange membrane fuel cell system and employs a predictive + PI control method to regulate the thermal management system components, maintaining the fuel cell temperature within a reasonable range. Results show that under steady-state conditions, the temperature fluctuation of the fuel cell inlet and outlet is less than ±0.5°C, with a response time of less than 2 s; under dynamic conditions, the temperature fluctuation is less than ±5°C, with a response time of less than 10 s. The results indicate that the predictive + PI control system can achieve precise control of the fuel cell.
Keywords: fuel cells; stack temperature; predictive + PI control; thermal management
引言
质子交换膜燃料电池具有功率密度高,启动迅速,环境友好,能量转换效率高等优点,使得国际社会投入了大量资源用于燃料电池技术研究与产业推广,是目前应用最广泛的燃料电池之一。将电堆工作温度控制在理想水平的同时保持进出口温差在合理范围内,对于提高燃料电池稳定输出电能的能力,确保燃料电池高效率输出,具有重要的工程与学术意义。
为了寻找有效的控制方法对 进行建模研究。Keefe 等[1]开发了一种基于5kW 质子交换 提出了一个面向控制的 PEMFC 动态模型,用
热失控,建立了基于电化学反应和热力学的热管 的神经网络(RFNN)算法,人设计了基于模型预测控制的燃料电池热 定的实际应用价值。Xi Chen等[6]人提出了 拥其 作温度和输出电压分别由冷却水和氢气的质量流量控制。
本研究适用于车用燃料电池场景。首先对系统进行建模,包括冷却路散热器、水泵、节温器等零部件;其次搭建燃料电池系统实物,并设计预测+PI 控制器;最后进行实验验证并进行控制器参数调节。
1 燃料电池温度系统工作原理
如图 1 为燃料电池冷却路原理图, 冷却液流 ,冷却液在电堆中流动,将系统产热通过冷却风扇散热到空气中,以保证电堆的进 热风 散热量,以保证散热器出口温度维持在目标范围;PTC 在冷启动过程中会开启,在冷启动过程为系统加热,防止结冰破坏膜电极结构;节温器通过调整阀门开度来控制大小循环流量比例,使进堆温度始终保持在目标范围。
图 1:燃料电池冷却路原理图

2 燃料电池热管理系统控制策略设计PID 控制器传递函数如下

3 温度控制策略实测分析
为验证控制器性能,本文通过系统测试台架进行测试,并经过FCU 对燃料电池系统进行控制,通过CAN 通讯协议进行数据采集,再利用 MATLAB/Simulink 进数据进行处理,在此基础上调整预控参数和PI 参数,并对燃料电池参数进行优化,包括各电气部件运行参数,输出功率、电流、电压,空气路压力、流量、温度,氢气路压力、流量、温度,水路温度、压力等。
表 1:燃料电池系统参数

本文搭建了 90kW 燃料电池系统并进行常温标定、动态加减载、低温启动等实验,对控制粗策略与控制效果进行了充分的验证。
在质子交换膜燃料电池实物验证阶段,本文搭建了一个额定90kW的系统并进行验证,其参数如表1燃料电池系统参数所示,实物主要验证了搭建的MATLAB/Simulink燃料电池热管理模型的可靠性和预控+PI控制方式的鲁棒性。自主搭建的燃料电池系统实验平台如图3所示,氢气由台架供应,纯度为99.97%。
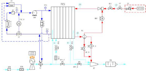
图 2:燃料电池系统原理图

图3:燃料电池系统实物

图4:稳态电堆入口温度

在质子交换膜燃料电池的实时动态系统中,功率需求的变化会影响电池内部的电化学反应,改变燃料电池的散热需求和电堆进出口温度,从而对温度控制有更高的要求。为了验证基于预控+PI 控制策略下的PEMFC 温度控制系统的抗干扰能力,本文同时进行动态波动负载测试。
图5:变载工况电堆入口温度

图5 为燃料电池温度入口的目标温度与实际温度对比。结果显示,燃料电池电堆温度波动小于±5℃,在10s内达到预控目标温度。图 6 为燃料电池散热器出口目标温度与实际温度对比,散热器出口温度是根据电堆出口实际温度与散热器出口目标温度通过散热器预控+PI 控制进行调节。结果显示,散热器出口实际温度波动幅度低于±3℃。
图6:散热器出口温度

图7为燃料电池出口目标温度与实际温度对比,电堆由于功率不同,产热效果也不同,为了保证电堆温度,进出口温差,进出堆温差是水泵的预控+PI控制水泵进行调节。结果显示,燃料电池进出口温差式中保持在预设目标范围,水泵转速调节可在5s内完成进出口温差调整。
图7:燃料电池进出口温度

4 结论
本文搭建了车用质子交换膜燃料电池系统,并用预测+PI控制的方式对系统冷却路零部件进行控制,使燃料电池的温度保持在合理的范围。结果表明,稳态工况下,燃料电池电堆温度波动小于±0.5℃,响应时间小于2s;动态工况下,燃料电池电堆温度波动小于±5℃,响应时间小于10s。结果表明,预测+PI控制系统可以实现对燃料电池准确控制。
参考文献:
[1] O'Keefe D, El-Sharkh M Y, Telotte J C, et al. Temperature dynamics and control of a water-cooled fuel cell stack[J]. Journal of Power Sources, 2014, 256(jun.15):470-478.
[2] Liso V, Nielsen M P, Koer S K, et al. Thermal modeling and temperature control of a PEM fuel cell system for forklift applications[J]. International Journal of Hydrogen Energy, 2014, 39(16):8410-8420.
[3] Zhao X, Li Y, LiuZ, et al. Thermal management system modeling of a water-cooled proton exchange membrane fuel cell[J]. International Journal of Hydrogen Energy, 2015, 40(7):3048-3056.
[5] 郭硕.质子交换膜燃料电池热管理系统研究[D].合肥:合肥工业大学, 2020.
[6] Chen X, Fang Y, Liu Q, et al. Temperature and voltage dynamic control of PEMFC Stack using MPC method[J nergy reports, 2022,8: 798-808.