轮南原油深度稳定工程不凝气压缩机选型及工艺分析
王婷
中油(新疆)石油工程有限公司设计分公司
1 前言
压缩机选型需综合考量技术性能与经济性指标,包括设备先进性、可靠性、通用性,以及运行效能(完好率、时率、效率)和维护成本。选型合理性直接决定设计方案的科学性与经济性,同时压缩机和冷却器的匹配选择可显著降低工程投资并提升效益。目前,离心式、往复式及螺杆式压缩机在气体输送领域均具有成熟的应用经验。
离心式压缩机:适合大流量、低压缩比的应用,结构紧凑、运行平稳,但在小流量时可能出现喘振现象。
往复压缩机:适用于流量调节范围大、排出压力较高的场合,具有较高的压缩比和热效率,但体积较大,噪声较高,维护成本相对较高。同时往复式压缩机对气中杂质含量适应能力不强,不能带液运行,易液击。
螺杆式压缩机:适用于小排量,低进气压力的工况,同时对压缩湿气和有杂质、液滴的气体适应性强,尤其在高温和高湿环境下表现良好。
本工程不凝气压缩机根据设计规模( 30×104Nm3/d ),进出口压力(进口 0.02\~0.04MPag,出口 0.75MPag )和介质组分(不凝气,C3 约占 12.7% ,C5 占 40% ,容易析烃带液)综合考虑,宜选用螺杆式压缩机。
2 不凝气压缩机选型分析
2.1 不凝气压缩机机组选型
螺杆压缩机主要有喷油螺杆压缩机和无油螺杆压缩机两大类型。
2.1.1 喷油螺杆压缩机
由于喷油螺杆压缩机采用阳转子直接驱动阴转子的设计,省去了同步齿轮,因此需向压缩腔喷入大量润滑油,以完成润滑、密封、冷却和降噪等任务。此外,润滑油还承担着冷却排气温度以及润滑轴承、机械密封和滑阀的作用。但由于不凝气容易导致润滑油乳化,使得杂质之间油膜减少,摩擦大,损耗机组寿命,同时润滑油和不凝气接触后,携带至后端脱丁烷塔中高温炼化,会影响脱丁烷塔的 LPG 和稳定轻烃产品质量,因此本工程不考虑选用喷油螺杆压缩机。
2.1.2 无油螺杆压缩机
与传统喷油螺杆压缩机不同,无油机型通过同步齿轮传动实现转子非接触运行,压缩腔内完全无油。其润滑系统仅服务于轴承、齿轮等辅助部件,并通过机械密封与压缩腔隔绝。密封处的独立润滑油压高于介质气的压力,密封一旦损坏,润滑油会内漏进压缩机体,避免了介质气往外泄漏的安全危险故障[1]。
无油螺杆压缩机通常采用软化水或烷烃类介质注入压缩腔,以实现双重功能:一是通过蒸发吸热降低排气温度,二是填充转子啮合间隙以增强密封效果,从而提高单级排气压力。得益于螺杆压缩机优异的气液混输能力,压缩过程中气体所含水分或烷烃类物质发生相变液化,仍可保证机组稳定
由于本工程不凝气增压处理后需要不经空冷器冷却( 90~95∘C ),直接高温气相进入后端脱丁烷塔进行处理,为减少后端脱丁烷塔能耗,因此选择喷烃来冷却压缩机,而不选择喷软化水。
2.2 冷却方式
压缩机的冷却系统主要分为全风冷、水冷及混冷(风冷 + 闭式水冷)三种形式。
全风冷系统完全依赖空气对流实现机组散热;水冷系统则通过外部循环冷却水与压缩气体进行热交换;混冷模式采用闭式水循环冷却机组,并利用空气冷却器对循环水进行二次降温,形成复合冷却结构。
水冷要优于风冷效果,但水冷需要配套建设蓄水池、冷却塔、循环水泵、泵房等设施,占地面积远大于风冷机组,冬季还需要考虑防冻问题[2],运行与维护复杂。针对本工程寒冷缺水地区的特殊工况,全风冷系统展现出独特优势:1)完全规避水资源依赖;2)低温环境反而提升散热效率;3)设备结构简化降低维护需求,这使全风冷成为本工程不凝气压缩机组的最优冷却选择。
3 不凝气压缩机工艺流程
3.1 正常工况
二级回流罐来不凝气需经过脱硫、增压处理后,需要不经压缩机空冷器冷却( 90~95∘C ),直接高温气相进入后端脱丁烷塔进行处理。若不凝气不冷却,全部直接去脱丁烷塔处理,压缩机需要长期自动补充液烃来降低压缩机温度,且喷烃量高达 10t/h. 。
为保证在压缩机正常运行的情况下,液烃能够在压缩机内循环使用,减少自动补烃量,进行了压缩机流程优化。压缩机增压出口管线上增加三通阀组,与后端气液分离器液位联锁,控制不凝气冷却后用作喷烃的液烃循环量。
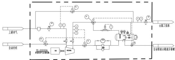
原油稳定塔二级回流罐来不凝气,进干法脱硫装置,脱除 H2S 后的不凝气(20\~40kPa.g, 40~50∘C ),进入不凝气压缩机入口过滤器,然后经压缩机增压至 0.75MPa ,通过三通阀组与后端气液分离器液位联锁, 80% 不凝气不经空冷器冷却( 90~95∘C ),直接输送至后端脱丁烷塔进行处理; 20% 不凝气经过空冷器冷却至 45°C ,进入气液分离器进行气液分离,分离后的液相循环至压缩机入口,冷却、润滑螺杆压缩机,超过分离器液位设定值的液相输送至凝液压油罐。
图 3.1-1 压缩机工艺流程原理图

压缩机主要控制系统包括:循环喷烃,自动补液,循环回流,自动排液等。
3.2 后端脱丁烷塔检修工况
原油稳定塔二级回流罐来不凝气,进干法脱硫装置,脱除 H2S 后,进不凝气压缩机增压至 0.35MPa ,不凝气全部经空冷器冷却至 40~45∘C ,然后进入气液分离器进行气液分离,分离后气相直接输送至 60 万方已建增压系统进行处理,分离后的液相输送至去凝液压油罐储存。
4 结语
压缩机选型必须遵循"工艺导向、因地制宜"的科学原则。不凝气喷液螺杆压缩机在油田湿气工况的成功实践,为后续同类伴生湿气处理工况的压缩机选型提供了重要技术参考。
参考文献:
[1]黄敢.工艺用无油螺杆压缩机在海上油田的应用[J].化工设备与管道.2017 年 2 月.第 54 卷.第 1 期.61-64.
[2]王志风.申小军.于英莲.东北地区 CNG 压缩机冷却方式的选择[J].煤气与热力.2011 年 8 月.第 31 卷.第 8 期.23-26.