2014 款别克凯越发动机熄火后无法启动故障检修
秦锐坚
东莞市技师学院 广东省东莞市 523460
前言
随着科学技术的进步,各类新技术不断涌现,电子技术也得以广泛应用,在汽车领域尤为明显——电子技术已渗透到汽车的多个关键部位,包括底盘、发动机及车身各处。尽管不同汽车电控系统的具体功能存在差异,但其组成结构具有共性,均由开关信 部分组成[1] 。不过,由于这些电控系统部件依赖电子技术与微电子技术,其故障成因及排查难度较大,传统机械维修手段无法满足电子系统故障的检测需求。汽车电控系统相当于车辆的“神经与血管”,是保障汽车正常运转的核心,车辆各部件的运行均需遵循电控系统的指令。
一、电控发动机的组成及工作原理
发动机机体作为发动机的核心框架,是发动机各机构与系统的安装载体,其内部和外部装配了发动机所有关键零部件及附件,需承受各类工作载荷,因此机体必须具备足够的强度与刚度,机体组主要由气缸体、曲轴箱、气缸盖及气缸垫等零件构成 [2]。
工作原理:发动机本质是能量转换装置,能够将燃料在气缸中燃烧释放的热能转化为机械能。实现这一能量转换需经历四个核心过程:首先是进气冲程,将可燃混合气(或新鲜空气)导入气缸;其次是压缩冲程,对气缸内的可燃混合气(或新鲜空气)进行压缩,压缩接近终点时,通过点火(汽油发动机)或高压喷油(柴油发动机)使可燃混合气引燃;随后是作功冲程,可燃混合气燃烧膨胀,推动活塞下行,实现对外做功;最后是排气冲程,将燃烧后的废气排出气缸。这四个过程依次循环,构成发动机的工作循环[2]。
二、故障分析
(一)故障现象
有一台 2014 款别克凯越轿车,行程 15 万公里,供学生实训使用。在使用的过程中出现汽车行驶过程中自动熄火,而再起动时出现无法起动着火的现象。
(二)发动机的常见故障及其原因
汽油电控发动机由机械传动与电控模块两大部分构成。因此,当发动机出现故障时,需首先判断故障源于机械部分还是电控部分:通常机械故障现象较明显,维修流程也相对简单;而电控部分的故障,无论是检测还是维修,都更为复杂。可见,精准定位发动机故障点,是开展针对性维修的必要前提。
1. 常见故障(1)线路故障
线路故障是车上高频故障原因,为确保发动机系统的正常运行,ECU 和部件间指令的传递与执行,多数都要采用导线实现连接。一旦出现发动机异常,导线故障占主要原因— —导线问题可能各部件和 ECU 控制单元信号传输受阻,导致指令无法被执行器接收,最终造成发动机异常。车用导线的故障类型包括:老化、受潮或腐蚀,以及连接部位松动、接触不良等[1]
(2)元件击穿
元件击穿也是主流故障。一是发电机内部电压异常升高,二是发动机长时间高速运转产生过量热量。这两种情况均可能造成传感器、电路板等击穿损坏,进而引发电路故障。别克凯越采用电子电路控制,若出现该情况就会导致电子点火控制系统出现断路或短路,造成火花塞无高压电,最终使汽车无法启动[1]。
(3)元件老化或者性能退化方面
汽车使用年限过久易出现此类故障。或者发动机长时间连续运转、散热效果差,会让各部件暴露在高温状态中,这容易造成电子元件损坏;此外,汽车长期在恶劣工况下使用或暴晒,也会加速电子元件的功能退化。使用年限过久发动机内部会积累大量灰尘及其他杂物,也会对发动机性能产生负面影响[1]。
三、诊断方法
当前,故障诊断可划分为:人工直观经验法、仪表设备诊断法、汽车自诊断法、专家系统故障诊断法、基于数值特征识别的汽车故障诊断方法,以及近年来逐步发展的集成化故障诊断系统等[3]。
(一)仪器诊断
仪表设备诊断法,是指借助专业检测设备、仪器及工具,对汽车发动机的技术状态(如真空度、压力、油耗、功率)及曲线波形等数据进行检测,进而判断汽车故障的方法[4]。
(二)人工诊断
人工直观经验法,要求维修人员在熟悉待检汽车构造与工作原理的基础上,维修人员结合自身维修经验,通过访问、原地检视或道路试验,借助感官判断及简单测试工具,采用“症状放大”或“暂时消隐”的方式,对汽车故障现象与原因进行判断[4]。常用的具体方法包括:观察法、分段排查法等。
(三)汽车自诊断方法
根据 GB/T5624-2005 标准定义,随车诊断(OnBoardVehicleDiagnosis,简称 OBD),又称车载诊断或车上诊断,是汽车电控系统自带的自诊断功能模块,具备实时监视系统状态、存储故障码及实现交互式通讯等功能[5]。
四、故障诊断与排除
(一)可能存在的故障点
电控汽油发动机不能启动的故障通常有以下几种:电动汽油泵不工作;喷油器没有喷油;点火系统不点火;燃油压力过低;点火提前角不正确;高压火花太弱;水温传感器有故障;喷油器漏油;ECU 不工作等 [6]。(二)故障诊断与排除流程

图1 发动机无法起动故障诊断流程图
根据本车的故障现象判断,起动系统可以正常运转,初步判断机械系统无异常,故障应源于电控系统。因此,本文依据《别克凯越维修手册》的指导,按照图1“发动机无法起动故障诊断流程图”,对发动机进行逐项排查。1. 读取故障码
首先使用解码仪进入发动机进行故障诊断,检查是否存在故障码。检测时,蓄电池电压为12.3V ;经测量,发动机主继电器的主线路与控制线路电压均符合《别克凯越维修手册》的标准要求(12.02V);OBD 诊断接口供电正常(12.07V),但解码仪无法进入发动机故障诊断系统,说明系统存在故障。
2. 防盗系统
对防盗系统进行解除操作后,汽车其他用电设备可正常使用,说明故障与防盗系统无关。
3. 启动系统
将点火开关用钥匙转到启动挡位,接通蓄电池与起动系统的电路。经测试,起动系统工作状态正常,无故障。4. 点火系统
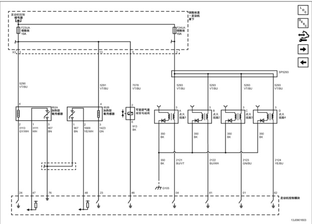
起动系统运转时,发动机无任何着火迹象。随后使用万用表与试灯,对点火系统的保险丝及继电器进行故障排查,检测数据均正常;点火系统电路可参考图 2“发动机控制系统示意图(氧传感器和点火系统)”,根据电路说明,每个点火线圈模块包含三条关键电路:点火电压(12V)、搭铁、点火控制。经测量,线束连接器端子2 与搭铁之间的电压为12V(手册标准为不小于5V);搭铁信号正常(电阻小于1 欧姆);均符合维修手册要求。但火花塞无高压电输出,说明点火系统存在故障。
图2 发动机控制系统示意图(氧传感器和点火系统)

5. 燃油供给系统
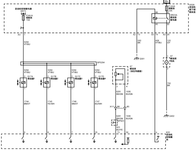
起动系统运转时,发动机无着火迹象。随后用万用表与试灯排查燃油供给系统的保险丝及继电器,结果显示线路连接正常,燃油压力符合标准,电路可参考图3“发动机控制系统示意图(燃油控制- 喷油器和燃油泵)”。经检测,喷油器执行器端有正常电压输入(11.24V),说明燃油供给系统无故障。
图3 发动机控制系统示意图(燃油控制- 喷油器和燃油泵)

6. 检测发动机 ECU
检查 ECU 线路时,发现其接口个别针脚存在松动、虚接情况。进一步排查发现,线束与 ECU 连接的插头松动接触不良(见图 4)。随后重新紧固接头并连接 ECU,此时发动机系统恢复正常:解码仪可顺利进入发动机诊断系统,火花塞有高压电输出,发动机能顺利起动,且无故障码显示。
图 4 发动机 ECU

五、结论
通过对该 2014 款别克凯越轿车的故障排查,最终确定故障原因:发动机 ECU 控制模块与车辆线束的连接插头松动,更换插接器后,发动机系统恢复正常运行。
本文的创新点在于,设计了针对别克凯越发动机无法启动故障的故障树分析模型与诊断流程。依托该故障树诊断流程,维修人员可快速定位故障原因,高效完成故障分析、故障部位判断及逐步排除工作,显著提升诊断与维修效率。
基于本次维修经验,总结以下要点:①维修前需充分听取 反馈的故障信息,结合实际检测验证信息准确性,为后续检测工作提供方向;②检 状态, 有助于快速排除明显无故障的部位;③优先采用仪器诊断手段, 宿 故障 精度与维修效率;④故障维修完成后,需对车辆进行全面复检,确认故障已彻底排除,避免因遗漏故障点导致车辆二次返修,影响用户使用体验。
参考文献:
[1] 沈宇辰,唐静娴,张涛 . 汽车电控发动机系统故障诊断与维修技术探讨 [J]. 科技资讯,2015,13(10):43-44.
[2] 侯树梅.(2016). 汽车发动机原理与汽车理论(第三版)[M]. 北京:机械工业出版社.
[3] 张丽莉,储江伟,强添刚等 . 现代汽车故障诊断方法及其应用研究 [J]. 机械研究与应用,2008(01):8-16.
[4] 陈高路 .(2019). 汽车故障原因推测策略案例研究 [J]. 汽车电器,(10):239.
[5] 杨永昌,陈凯 .OBD 汽车诊断系统在汽车检测中的应用 [J]. 价值工程,2013,32(06):172-173.
[6] 王洪刚 .(2011). 分析发动机自动熄火的原因 [J]. 黑龙江交通科技,(12):223.
作者简介: 秦锐坚,1998 年生,男,籍贯广西,本科学历,研究方向为汽车维修。