全固态PDM1kW 中波发射机功放单元故障研究与处理方法探讨
白俊超
云南省广播电视局普洱 701 台 665100
引言
全固态 PDM1kW 中波发射机有效率较高、稳定性较强等优势,在中波广播领域有着广泛应用,随着广播播出时长的增多以及技术的不断迭代,其核心的功放单元作为功率转换与放大的关键部件,面临着复杂工作环境带来的考验,当前行业对于发射机运行连续性的要求持续提高,功放单元的稳定运行直接关乎广播信号的传输质量,相关研究已然成为保障广播系统可靠运转的关键方向 [1]。
一、全固态PDM1kW 中波发射机功放单元故障原因
1. 温度过高
全固态 PDM1kW 中波发射机功放单元在 1kW 功率输出时,功放管等核心器件会产生大量热量。若散热系统效率不足,热量无法及时散发,会导致器件结温超过额定值。高温会使半导体器件的载流子迁移率下降,放大倍数降低,甚至引发热击穿。同时,高温会加速器件引脚焊点氧化,导致接触电阻增大,进一步加剧发热,形成恶性循环,最终造成功放单元输出功率下降、失真或完全失效。
2. 材料老化
功放单元长期处于高频、高功率工作状态,内部电子元件及结构材料会逐渐老化。例如,电解电容的电解液会随时间挥发,容量下降、漏电流增大,滤波性能恶化,导致供电纹波增加,影响功放输出稳定性;功率电阻长期承受大功率损耗,阻值会逐渐漂移甚至烧毁;连接导线的绝缘层在高温环境下会硬化开裂,可能引发短路故障;PCB 板上的铜箔也可能因热胀冷缩出现微裂纹,导致电路连接不良。
3. 输入信号过大
当输入到功放单元的激励信号幅度超过设计阈值时,会使功放管进入深度饱和或截止状态,偏离线性工作区。这不仅会导致输出信号失真,还会使功放管的功耗急剧增加,超出其额定功率承受范围。过大的输入信号还会使功放单元的电流瞬间飙升,超过器件最大额定电流,造成 PN 结过热损坏。此外,输入信号过大可能引发级间耦合电路过载,导致后续电路出现异常谐振,进一步扩大故障范围,甚至影响发射机整体工作。
二、全固态PDM1kW 中波发射机功放单元故障处理方法
1. 加装散热设备
加装散热设备是通过增强功放单元的散热能力,降低因器件过热导致的故障概率,其核心在于构建更高效的热量传导与散发路径,以维持功放单元在适宜的工作温度范围内,保障器件性能的稳定性与使用寿命[2]。
针对功放单元易过热的问题,可在功放模块附近加装小型轴流风扇及铝制散热片组合装置。先测量功放单元外壳的散热孔位置与尺寸,定制适配的铝制散热片并通过导热硅胶粘贴在功放管表面,确保散热片与器件紧密接触以提升热传导效率;再在散热片侧方安装 12V 低噪音轴流风扇,风扇出风口对准散热片,通过风扇的强制对流加快热量散发。同时,在设备内部预留风扇电源接口,与发射机的辅助电源相连,使风扇随发射机同步启动,形成持续的散热循环。
2. 降低输入功率
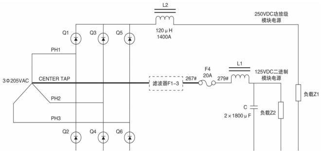
当发射机功放单元出现功率衰减时,会导致信号输出功率减小,影响通信系统正常工作,在这种情况下,通信质量下降,信号传输距离受到限制。因此,要及时发现并解决功放单元功率衰减故障,产生这一问题可能是由于功放单元内部元件老化、损坏或散热效果等原因导致。例如,功放单元中的功率管可能因长时间使用或操作不当发生过热或损坏,影响功率输出,定期清洁设备内部和外部的灰尘和杂质也是非常重要的,这些杂质会影响设备的散热效果,导致功率衰减。除以上方法,工作人员还可以采用预防措施降低功放单元功率衰减故障的发生概率,比如确保设备工作环境良好,避免过高的温度、湿度等条件对设备的影响。同时也要定期进行设备的校准和调试,使设备工作参数处于正常范围。此外,为了保持设备的稳定性,可加强电路保护,提高设备抗干扰能力,减少外界因素对设备的影响,比如融入抗电磁干扰系统,在系统运用时,通过滤波器进行电磁的有效过滤,满足系统的运行要求,如图1 所示。
图1 抗电磁干扰系统图

3. 做好设备维护
做好设备维护是通过定期对功放单元进行检查、清洁与参数校准,及时发现潜在的故障隐患并进行处理,以保持设备的良好运行状态,其核心在于建立常态化的维护机制,预防因积尘、接触不良等因素引发的故障。
制定每月一次的设备维护计划,首先断开发射机电源,使用压缩空气喷枪对功放单元内部的散热孔、接线端子等部位进行清洁,清除积尘与杂物,避免积尘阻碍散热或导致电路短路;其次检查功放单元的连接插头、插座及接线端子,用细砂纸轻擦氧化的金属触点,再涂抹少量导电膏以增强导电性,确保电路连接可靠。同时,使用万用表测量功放管的静态工作电流,与设备手册中的标准值进行比对,若存在偏差及时通过可调电阻进行校准,维持参数在正常范围。
4. 更换相应元器件
更换相应元器件是当功放单元的器件出现性能劣化或损坏时,通过替换符合规格的新器件恢复单元功能,其核心在于准确识别故障器件并选用适配的替代元器件,以保障替换后功放单元的性能参数与原设计一致。
若检测发现功放单元中的功率管因老化导致输出功率下降,应选用同型号、同参数的功率管进行更换。先记录原功率管的型号(如某型号硅NPN 功率管)及引脚定义,使用电烙铁配合吸锡器拆下故障管,清理焊点残留焊锡;再将新功率管的引脚按照原位置插入焊盘,用恒温电烙铁焊接固定,确保焊点牢固无虚焊。更换后,通过示波器观察功放单元的输出波形,确认无失真现象,同时测量其工作温度与功耗,确保与设备正常运行时的参数相符。
结语
全固态 PDM1kW 中波发射机功放单元故障研究已取得一定进展,对常见故障的成因及影响有了较为清晰的认知。未来,随着新材料、新技术在发射机领域的应用,功放单元的可靠性将进一步提升,故障预防与处理也将向智能化、精准化方向发展。相关研究需持续结合实际应用场景,为广播发射设备的技术升级与维护优化提供理论支撑。
参考文献:
[1] 于洪涛 , 于洪洁 . 全固态 PDM1kW 中波发射机功放单元故障分析与处理 [J]. 数字传媒研究 , 2024, 41(2):33-35.
[2]张昌达.PDM1kW中波广播发射机故障分析与处理[J].数字传媒研究,2024, 41(3):70-72.