剪断销应力集中系数实验及应用
汪霜
通用电气水电设备(中国)有限公司 天津市 300300
Abstract: Combining shear pin along with friction device to be used in the distributor assembly of bulb units is a new type of protecting mechanism for wicket gate during the wicket gates operation , and it is more safer and more reliable and cheaper than just applying the traditional shear pin only.It is important to choose precise stress concentration factor to calculate the anticipation broken section dimension of the shear pin according to the material broken law. As far of now ,there is no existing and credible reference data about the stress concentration factor for the shear pin, so that here we have carried out tests for the shear pin samples for measurement and analysis and summarizing the regular pattern of the factor which also has been utilized in my company actual bulb power plant projects calculation of the shear pin anticipation broken section .
Keywords: Stress concentration factor ;bulb unit ; wicket gate ;distributor assembly
1 概述
贯流式水轮机适用于水头 25 米及以下的低水头电站,效率和过流能力高,且可缩短机组高度,间距和简化厂房及水工结构,减少土建开挖及回填工程量 [1]。灯泡式贯流机组是目前应用最为广泛和普遍,为保护机组运行时的安全性,在导水传动机构部件图纸设计阶段,常采用剪断销,以其材料所能承受的最大剪切应力为预设的限定值,当有异物如木头或石块在导水机构调节出力和开闭过程中,卡在相邻俩活动导叶中间,剪断销会因其应力集中作用首先被剪切力破坏,从而保护导水传动机构其它部件不被损坏,防止事故进一步扩大。
将剪断销应用在灯泡贯流机组的大量工程实践中,发现仅依靠剪断销作为保护装置的劣势主要有以下三点。第一,剪断销因开关过程中受交替变化作用力而被剪断破坏,而非因异物卡住被剪断。因通过活动导叶转动时开度变化,使进入转轮的流量增减,达到开启、关闭、出力维持及出力调节,剪断销在这个过程中一直受力,长此以往剪断销将因疲劳而破坏。第二,剪断销预断面与基准面高同心精度的尺寸加工。因剪断销预断面二次加工时,预断面中心线没与基准面中心保持同心。最后一点,当一个剪断销剪断后,与其连接的活动导叶若没有约束,在水流作用下超过设计开度而承受水压力,并将此力作用于与其最近的导叶,相当于链式反应,从而导致其它剪断销破坏,轻则活动导叶受损,重则机组发生飞逸,是水轮机组发电站的安全运行的隐患。随着国内灯泡贯流机组的发展,已从仿制走向自主开发。弹簧连杆是可靠性高的导叶保护装置,已被大型贯流机组普遍采用,剪断销加摩擦装置被中小贯流机组用作保护措施 [2]。
此文中的剪断销加摩擦装置成套应用,在理论中规避仅采用剪断销作保护措施的劣势,并且有简洁的设计结构,相对低廉的成本,很好的可靠性,安装简单及维护快的活动导叶保护机构。
2 原理机制
剪断销加摩擦装置组合系统,见图 1 示,系统组成:1 紧固螺栓、2 导叶端盖、3 摩擦铜环、4 活动导叶臂、5 剪断销、6 连接板、7 偏心销孔。
图 1 剪断销加摩擦系统示意图

当机组处于运行状态,在活动导叶开启及出力调节时,此时连接板与活动导叶臂通过连接板上紧固螺栓的预紧力,在摩擦铜环上产生的摩擦力动作,只要导叶传动机构力不超过铜环摩擦力,剪断销将处于自由状态不受力。在活动导叶关闭时,活动导叶的设计水利型线能保证其 95% 开度内,因水力的作用具有自关闭特性,剪断销也将处于不受力的自由状态。仅当相邻俩导叶间有异物卡住时,传动机构的操作用力大于摩擦铜环摩擦力设计值时,剪断销才开始承受拉力,直至其被剪断,而活动导叶此时在铜环摩擦力作用下,并非处于自由失控状态,使与其连接的活动导叶仍与导水传动机构相连接,且活动导叶处于剪断销剪断时的开度,从而达到保护导水机构其它传动件的作用。
3 受力分析及计算
拉断销的拉断力及摩擦装置的摩擦力如何计算的 ?
拉断力矩 MC MC=±MS+Mt
MS: 为导叶全关时的水力矩Mt :摩擦力矩MS 的符号是变化的,使活动导叶关闭方向运动的水力矩取 + ,使活动导叶开启方向运动的水力矩时取 -。 [3]

L: 为拉断销至导叶轴线距离 (m)
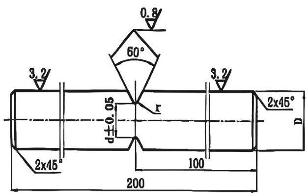
已知拉断力 FB, 如何选取拉断销直径及最弱断面积呢 ? 拉断销直径 D, 最弱断面直径 d,见图 1 示
材料理论拉应力K- 应力集中系数K 的取值与 d/D 比值相关且近似成函数关系,国内没有相关资料对此详述。
剪断销材质常采用调质 45# 钢,为此我公司为提高计算面积的正确性,特意分别用 Φ15 和 φ25 两种试棒,剪断销零件设计图如图 2,按 45#调质处理与 45# 非调质两种钢材,在不同的 d/D 直径比值下进行应力集中破坏性实验,试棒的相关尺寸见表 1。
图2 剪断销零件设计图

表 2 未调质 45# 钢 Φ=15

材料机械性能符合国标要求,试棒由我厂水电车间按图纸要求严格生产,且详细记录。两种材料分别按表1 尺寸做销36 件。A 代表材料4 5# 非调质钢, B代表 45# 钢调质处理,采用 HB=200±15 , 拉断销在 22t 拉力机 上试验,拉断力 ( 见表 2 ) 由表中可知不同直径在下的拉断力 FB 及相 应截面积S
S=π*d2/4
由式δ =FB/S 可求得相应直径下的
拉应力系数 K=δ/[δ] ] [4]

将K 值代入

即可求出最小直径 d 。对调质 45# 钢,不同直径下 K 值,进行分析,在 d/Ω D 值 在 0.5~1 区间时,其 K1 或 K2 与两者均值偏差绝对值 =[K1-0.5(K1+K2)]/ [0.5(K1+K2)]-- ,约 0.4%~3.0% ,设计时
常在 0.7 以上,故 K 值在设计选用时具有指导作用。
导水机构拉断销应力集中系数试给数据和结果 如下表 2 到表 5
表5 未调


4 结束语
从一些电站运行情况看,导水机构设计与计算不周,会造成机组强烈振动,导致机组事故 [5]。目前,国内已运行的电站导水机构的保护装置除了“剪断销加摩擦装置“外,还有”液压连杆””弹簧连杆”等。“液压连杆”是把导水传动机构中的连杆换为独立力接力器,当有异物卡在相邻导叶之间,压力油压产生的力小于阻力时,液压油缸与活塞间有位移产生,吸收额外作用力,保护其余零件安全,一旦障碍物移除,油压系统中的压力油压使活塞回复位,机组恢复正常;”弹簧连杆“与“液压连杆“机理相同,不同的是复位靠弹簧中存储的弹力。“液压连杆”,”弹簧连杆“的设计结构相对要复杂,生产加工难度大,使用成本较高,在大型贯流机组中采用觉。
目前
我司已经在广西桥巩、街面,福建沙县等电站上采用剪断销加铜摩擦环系统作为保护装置,电站都运行正常,达到设计要求。
参考文献:
[1] 武汉水利电力学院,水轮机[M], 水利电力出版社,1980(1):4-5
[2] 黄源芳,水电机组修复与现代化改造,长江出版社,2008(1):208
[3] 哈尔滨大电机研究所,水轮机设计手册,机械工业出版社,1976(1):206
[4] 刘鸿文,材料力学[M],高等教育出版社,2004(4):47-48
[5] 刘文清,最新水利水电机组安装工程施工工艺与技术标准实用手册,安徽文化音像出版社,2004(1):78