小型水电站设计要点
刘娟 李龙起
山东省水利勘测设计院有限公司 山东济南 250014
工程概况
该工程是一座以灌溉、供水、改善保护区生态环境为主,兼顾发电等综合利用的大(2)型水利枢纽工程,水库设计总库容 1.16 亿 m3 ,兴利库容 0.97亿 m3 ,调节库容 0.70 亿 m3 ,兴利水位 499m ,死水位 480m ,电站装机容量为40MW,目前工程已建成并网发电。
水电是一种清洁无污染的能源,水利枢纽的修建将使电站的电价成本低,上网时具有较强的竞争力。该电站保证出力 4.1MW,电站设计最大水头42.63m ,最小水头 23.32m ,加权平均水头 40.62m ,电站装机 40MW,多年平均发电量 13817 万 kW⋅h ,多年平均装机年利用小时数 3505h⨀ 。总的来说,该电站开发条件较好。
1 发电机组
1.1 额定水头
额定水头的选择直接关系到保证率、发电效益和工程投资。根据规范要求,额定水头与加权平均水头的比值在 0.85~0.95 范围内,即额定水头的取值范围为 34.4m~38.5m⨀ 。本电站水头变化范围 Hmax/Hmin=1.95 ,属于水头变幅较大的电站,根据水文资料,电站在 30m 水头以下运行的概率为 5% ;电站在 30m~38m水头范围内运行的概率为 12.78% ;电站在 38m~45.82m 水头范围内运行的概率为 82.22% 。从水头特性看,电站大部分时间在高水头段运行。
提高额定水头有利于机组在高水头段运行的稳定性,但会导致低水头段出力受阻。统计资料表明: Hmax/Hr 的值,国外有 85% 的电站小于 1.15 ;国内有75% 的电站小于 1.15,这些机组运行情况都基本良好。综合以上条件,本电站额定水头确定为 38m. 。
1.2 机组台数
从电站调度、运行维护和水轮机的运行稳定性看,较多的机组台数能保持较高的电厂平均效率;此外由于本电站利用生态流量以及汛期弃水进行发电,电站保证出力仅为 4.1MW,因此较小的单机容量能使机组稳定运行。考虑工程经济性和技术上的优势,工程采用4 台机方案,单机容量为10MW。
1.3 水轮机
根据水电站的运行水头范围、电站运行特点、高海拔的影响,适当降低水轮机参数水平有利于机组安全、稳定运行。水电站装机容量为 40MW,属小型水电站,水轮机宜选用近年来已经过模型试验成型的产品,经方案比选,选择HLA904a 混流式模型转轮。
水轮机为竖轴混流式,机组采用二根轴结构。转轮采用不锈钢材料制造,铸焊结构,整体运输至工地。水轮机导轴承采用油浸式自循环稀油润滑分块瓦结构。顶盖和底环采用钢板焊接结构,顶盖过流面设有不锈钢抗磨板并装有不锈钢止漏环。在水轮机轴穿顶盖处设有主轴工作密封和检修密封。活动导叶由2 个直缸接力器操作,接力器布置在水轮机机坑壁接力器坑衬内。
1.4 发电机
水电站发电机型式为立轴悬式交流同步发电机,发电机采用密闭自循环空气冷却方式。经与生产厂家协商,发电机飞轮力矩为 370⋅t⋅m2 。
发电机结构型式为立轴悬式结构,主轴为二根轴结构,发电机轴与水轮机轴采用法兰连接。推力轴承和上导轴承位于上机架内,下导轴承位于下机架内。发电机顶部装有集电装置及外罩等部件。发电机上、下机架上均铺有钢盖板,构成发电机风罩。
2 厂房布置
2.1 主厂房
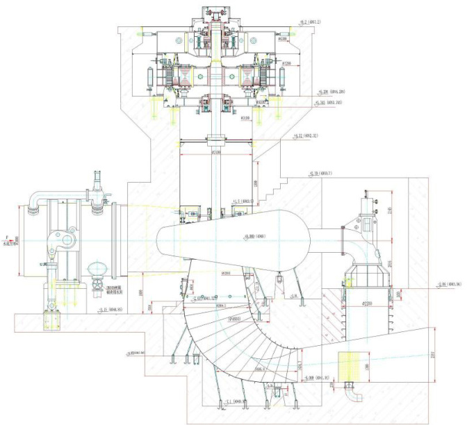
经对发电机、蜗壳、尾水管最大外形尺寸的比较,考虑机组附属设备、必要的外包混凝土,确定机单组段长度为 12.4m ,边机组段长度 19.4m ,主机间总长为 73.1m 。厂房上游侧布置蝶阀,下游侧布置电气控制盘,考虑设备管道、通道等要求,确定厂房宽度为 21.4m. 。安装间布置在主机间左侧,宽度与主机间一致,为 21.4m ,其面积按满足一台水轮发电机组安装检修要求,确定安装间长度为 18m 。
一台机发电运行时,最低尾水位 453.15m ,确定机组安装高程为 448.00m⨀ 。据尾水管体形尺寸,确定尾水管底板高程 442.80m ,厂房建基高程 440.70m ;根据蜗壳进口端尺寸及上部结构必须的混凝土厚度,确定水轮机层地面高程为452.50m ;根据水轮发电机组的尺寸、水轮机机坑进人门高度,确定发电机层地面高程为 4057.20m ;桥机轨顶高程按起吊转子所需安全高度确定为 470.20m
安装间地面高程与发电机层地面相同为 457.20m ,安装间地面以下布置一层,第一层地面高程为 4051.50m ,与主机间水轮机层同高。
图1 发电机机组布置图

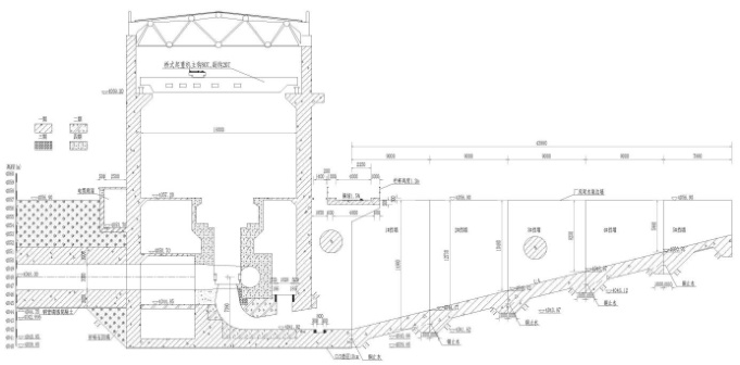
2.2 副厂房
副厂房在主厂房左侧,共分二层,各层平面布置基本一致,第一层地面高程 4051.50m ,与水轮机层同高,层高 5.1m ,布置中控室、 110kv 、GIS 室等;第二层地面高程 4057.20m ,层高 5m ,布置有励磁变室、低压室、高压开关室、水处理室、通风机室等。
2.3 尾水渠
尾水渠由闸门控制段和反坡段组成,长约 40m ,闸门段长 6m ,尾水渠采用4 扇尺寸为 6m×3m (宽 × 高)平板闸门控制,门机起吊;反坡段与尾水出口以1 :4 反坡相接,长 34m⨀ 。
图2 厂房总体布置图

3 结语
水电站充分利用水库生态流量、汛期弃水进行发电,设计多年平均发电量1.38 亿 kW⋅h ,目前已经并网发电,部分缓解了地区电力供需矛盾,构建小水电典范。
参考文献:
[1] 余晶 , 章蕾 . 小水电生态调度运行方案编制思路与要点 [J]. 人民黄河 ,2024,46(S2):157-159.
[2] 朱万涛 . 那亚水电站建设选址影响因素的分析 [J]. 广东水利水电 ,2025,(07):60-63.