某核电站凝结水升压泵再循环管道气动阀技术改造
吴琛
430482199209190077
关健词:凝结水系统、再循环管道、DCS-046VA、执行机构、调节流量
引言
核电站的系统和设备通常由两大部分组成:核的系统和设备,又称为核岛;常规的系统和设备,又称为常规岛。常规岛是指核电装置中汽轮发电机组及其配套设施和它们所在厂房的总称。
凝结水系统是常规岛的重要组成系统,主要设备有:凝汽器、凝结水泵、凝结水升压泵、低压加热器以及轴封冷却器。凝结水系统的作用是收集汽轮机排汽凝结成的水和低压加热器疏水,经凝结水泵升压后经各低压加热器加热送往除氧器除氧,与高加疏水和四段抽汽汇集到除氧水箱后供给给水泵。此外,凝结水系统向汽轮机旁路系统、疏水扩容器提供减温水,提供设备密封水及核岛的补给水。
凝汽器的主要作用有以下两点:(1) 在汽轮机排汽口建立并维持高度真空,以提高循环热效率;(2) 将汽轮机的排汽凝结成洁净的凝结水作为锅炉的给水,以回收工质。
在系统启动时,凝结水母管主要通过主调节阀 DCS-027VA 来控制进入除氧器的水流量从而匹配汽轮机的进气量和对应的电功率。
另外,在凝结水母管上还布置了一条再循环管道,当母管通过 DCS-027VA调节流量后,多余的流量便需要流经再循环管道回到凝汽器。
1、问题描述
在某核电站常规岛调试期间,频繁发生轴封冷却器的出口至凝汽器的再循环管线上的阀门 DCS-046VA 的气动执行机构上电磁阀多次脱落的情况。经过现场检查确认为管道在径向振动过大引起,而此时正值常规岛调试高峰期,会频繁的启停凝结水泵、凝结水升压泵,这给机组的调试运行增加了很大的困难。

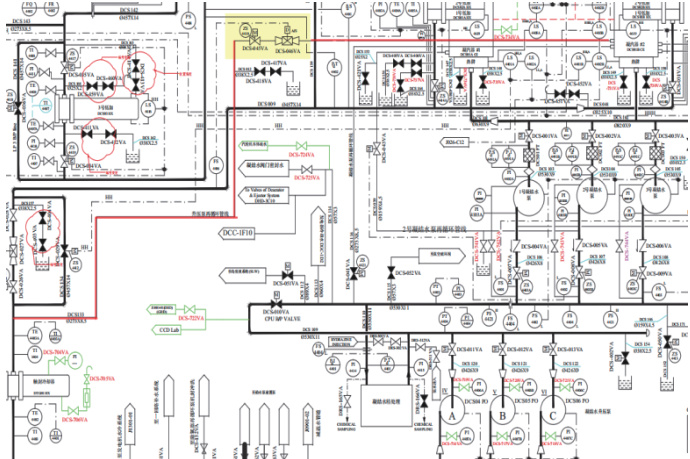
图1 凝结水系统流程图(标红为再循环管道,黄色区域为DCS-046VA)2、问题分析
凝结水系统的投运逻辑为:
(1) 凝汽器热井冲水至正常液位。
(2) 启动第一台凝结水泵,正常后,开出口阀(3) 启动第一台凝结水升压泵,凝结水通过电动阀自循环。
(4) 如水质不合格,可进行冲排水、直至水质(5) 一、二、三低压加热器随汽轮机启动。
(6) 当汽轮机负荷升至 40% 额定负荷时,启动第二台凝结水泵和凝升泵投入自动备用。
(7) 正常运行时,至除氧器的供水阀及凝汽器补水调节阀应投入自动。
(8) 当汽轮机高负荷运行时,适当开大主抽气器旁路阀。
轴封冷却器后的再循环管道流量是用阀门DCS-046VA 控制。随着负荷升高,流量要不断增加,因此流经再循环管的流量也会不断变化,这种流量的变动就必须要求设计上再循环管有流量调节的能力。但在设计上,再循环管道却并没有调节流量的功能。基于上述分析,决定对再循环管道进行一定程度上的技术改造以解决上述工程问题。
3、确定改造方案
3.1 提出方案
将 DCS-046VA 从 on/off 阀(开关阀)改为流量调节阀,目前该阀门为气关阀,通过电磁阀控制全开,为了控制该管道流量可以将该阀门设计修改为气动调节阀,该修改需要增加一台定位器,一个手操器,将手操器安装在控制盘上,以及控制电缆若干。设计逻辑上改为在高功率运行平稳后将 DCS-046VA 投入自动,投入自动后可以起到在突然停机时通过电磁阀将执行机构内的压缩空气快速排出,从而打开阀门将母管压力泄压;投入手操时可以随着负荷变化调整阀门开度,从而控制母管压力和流量。启停机或者负荷变动时则采用手动操作。
优缺分析:优点:不但能解决流量调节问题,还能满足原设计要求中的快开要求;不需要额外增加工艺阀门;缺点:增加阀门定位器后需要改造控制回路,而且需要增加手操器等主控控制设备,涉及到主控盘台的布置修改和施工。
3.2 确定方案
项目现场提出两种仪控改造方案:
1、增加手操器用来输出4-20mA
2、利用DEH 控制装置中的备用 4-20mA 模块基于控制优化,确定了阀门技术改造的方案如下:
由于 DCS-046VA 原选型为气关型 on/off 阀,通过主控室原设计上的小开关控制阀门气动执行机构上的电磁阀,再增加一路 4-20mA 的输出仪表和阀门定位器,用来控制阀门的开度,因此在改成调节型阀门后需要相应进行控制逻辑的修改,将控制逻辑按如下修改:
1、通过电磁阀和原主控室的DCS-046VA 的控制开关实现失电排气全开阀门
2、在低负荷(小于 50% 负荷)工况下,将 DCS-046VA 的控制开关打到关闭档位,使得电磁阀带电,压缩空气通过阀门定位器后进入气动执行机构;而阀门定位器的气源输出通过主控室输出的 4-20mA 进行控制从而控制阀门开度。单纯由手操器调节阀门定位器进行控制,切除 DCS-046VA 的流量自动联锁全开逻辑;
3、在高负荷(超过 50% 负荷)工况下,DCS-046VA 的控制开关在负荷超过50% 后,将流量自动联锁逻辑投入;
关于负荷的判断,不再设计自动逻辑,由操作员根据负荷进行人为操作;DCS-046VA 的定位器调节回路不设计自动闭环控制回路,仅由操作员通过手操器发出指令进行控制。
图 2 DCS-046VA 原控制图

图 3 DCS-046VA 改造后控制图

4、改造后运行状况
现场实际运行情况来看,DCS- 046VA 经过改造后,机组在升、降负荷及凝泵、凝升泵切换过程中均可以调节流量来维持凝升泵出口母管的压力。该设计改造极大程度上的减小了再循环管道的振动以及噪音污染,机组在此后很长的一段运行时间内,没有出现DCS-046VA 执行机构部件掉落的情况,改造效果显著。
5、结论
通过在某核电项目的运行实践中证明,上述改造确实在很大程度上保证了凝结水系统的正常运行,改造是科学、合理且有效的。在几乎没有耗费额外物力的情况下,用最短的时间解决了问题。这里也同时提醒了我们在后续项目上,需要在设计审查方面下更多的功夫,要更加细致的对待设计接口的审查工作,因为再循环管道在工艺上设计了调节阀,但是在控制上却没有设计调节功能。最后,希望本文能对后续其他核电站的建设过程中的优化改造起到一定的参考作用。
参考文献
[1] 张庆麟主编. 新能源产业. 上海科学技术文献出版社,2014.06
[2] 秦山核电有限公司 .CP300 核电厂二回路系统 / 设备及运行.2009-12-
[3] 中国机械技术网. 汽轮机轴封冷却器的作用是什么.2013-11-16